EasyManua.ls Logo

Goodman ADPF - Thermostat Wiring

Goodman ADPF
20 pages
Print Icon
To Next Page IconTo Next Page
To Next Page IconTo Next Page
To Previous Page IconTo Previous Page
To Previous Page IconTo Previous Page
Loading...
12
Wiring is subject to change. Always refer to the wiring diagram on the unit for the most up-to-date wiring.
HIGH VOLTAGE!
DISCONNECT ALL POWER BEFORE SERVICING.
MULTIPLE POWER SOURCES MAY BE PRESENT. FAILURE TO DO SO
MAY CAUSE PROPERTY DAMAGE, PERSONAL INJURY OR DEATH.
WARNING
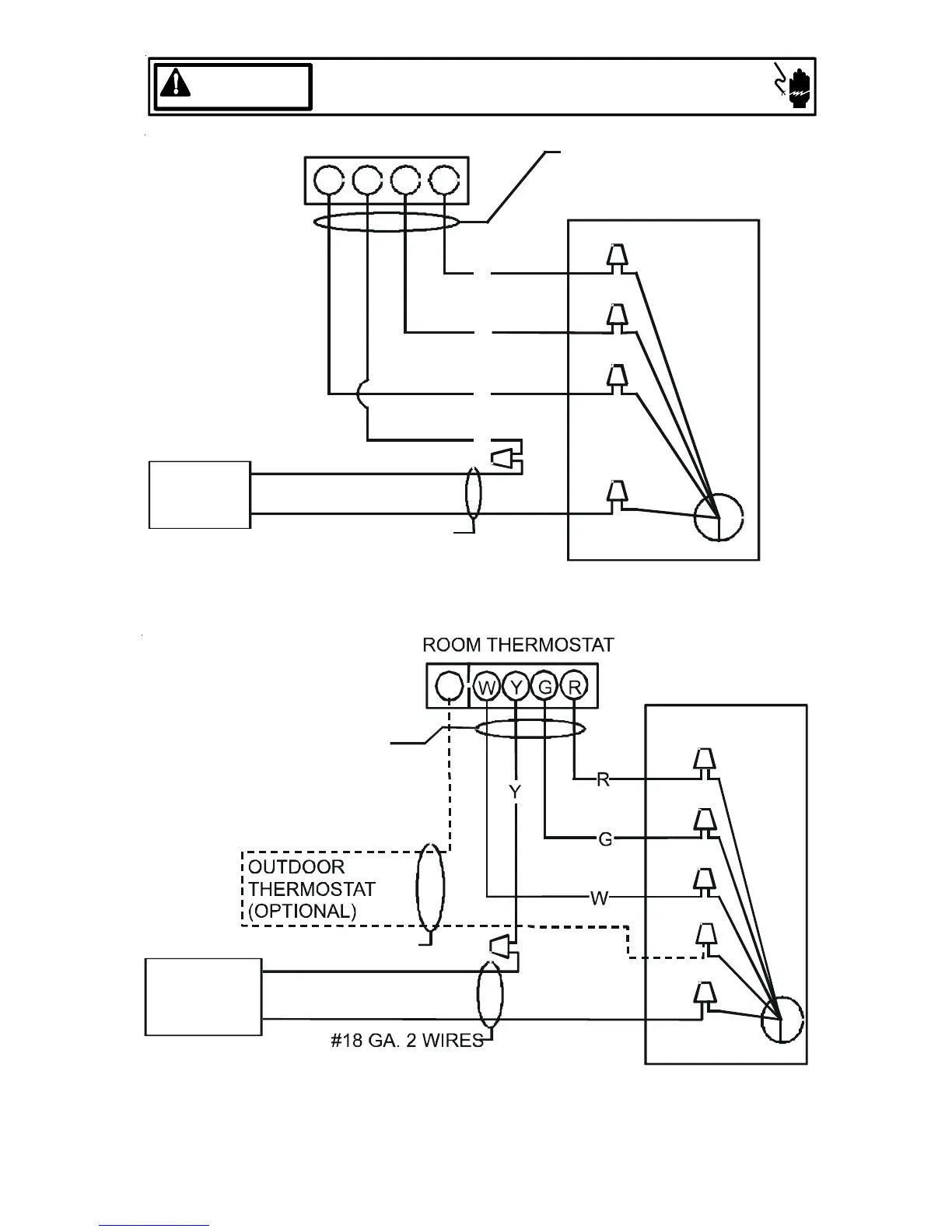
ROOM THERMOSTAT
WY
GR
#18 GA. 4 WIRES WITH
COOLING 3 WIRES WITHOUT
R
G
W
Y
TO CONDENSING
UNIT 24V. CONNECTIONS
#18 GA. 2 WIRES
BLUE
WHITE
GREEN
RED
CONTACTOR
COIL
AT/AR UNIT
Figure 8 - Low Voltage Wiring Diagram for Cooling Unit with optional heat kit 10kW and below
W2
GREEN
RED
WHITE
BLUE
BROWN
#18 GA. 4 WIRE WITH
COOLING 3 WIRE WITHOUT
CONDENSING
UNIT 24V. CONNECTIONS
#18 GA. 2 WIRES
CONTACTOR
COIL
AT/AR UNIT
Figure 9 - Low Voltage Wiring Diagram for Cooling Unit with optional heat kit 15kW and above

Related product manuals