EasyManua.ls Logo

Goodman APG 13 - Accessories Wiring Diagrams

Goodman APG 13
63 pages
Print Icon
To Next Page IconTo Next Page
To Next Page IconTo Next Page
To Previous Page IconTo Previous Page
To Previous Page IconTo Previous Page
Loading...
62
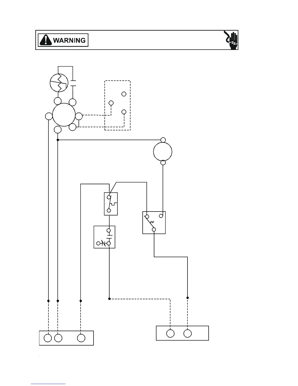
ACCESSORIES WIRING DIAGRAMS
HIGH VOLTAGE!
DISCONNECT ALL POWER BEFORE SERVICING OR INSTALLING THIS
UNIT. MULTIPLE POWER SOURCES MAY BE PRESENT. FAILURE TO
DO SO MAY CAUSE PROPERTY DAMAGE, PERSONAL INJURY OR DEATH.
G
C
Y
GREEN
BLUE
YELLOW
PINK
1K RELAY
PINK
COMPRESSOR
LOCKOUT
THERMOSTAT
BLUE
ORANGE
ORANGE
WHITE
ENTHALPY
CONTROL
2
1 3
50F
1K RELAY
1K
RELAY
COIL
A B
Y2
Y1
MULTI-STAGE T'STAT
GMC# CHT90-120
(OR EQUIVALENT)
1K RELAY
CONTACTS
6 4
TR1
T
1
P
1
P
TR
R
WB
T
JUMPER
BARBER COLEMAN AD-931-105
POTENTIOMETER OPTIONAL
MINIMUM DAMPER POSITION
INSTALL AS SHOWN
1
2
3
GOODMAN MANUFACTURING CO.
MODEL PGED(H)101/102 ECONOMIZER
WIRING DIAGRAM
NOTE: RECOMMEND MULTI-STAGE T'STAT
GMC( CHT90-120 OR EQUIVALENT)
ECONOMIZER
Wiring is subject to change. Always refer to the wiring diagram on the unit for the most up-to-date wiring.

Table of Contents

Related product manuals