EasyManua.ls Logo

Goodman RT6100004R13 - Page 63

Goodman RT6100004R13
69 pages
Print Icon
To Next Page IconTo Next Page
To Next Page IconTo Next Page
To Previous Page IconTo Previous Page
To Previous Page IconTo Previous Page
Loading...
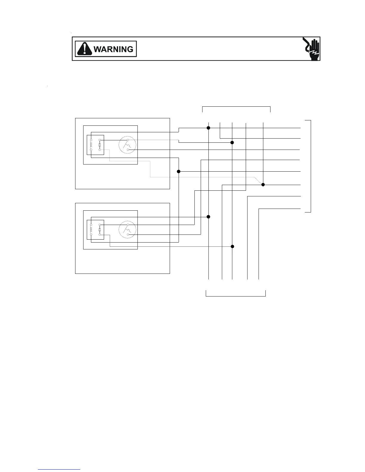
ACCESSORIES WIRING DIAGRAMS
63
HIGH VOLTAGE!
DISCONNECT ALL POWER BEFORE SERVICING OR INSTALLING THIS
UNIT. MULTIPLE POWER SOURCES MAY BE PRESENT. FAILURE TO
DO SO MAY CAUSE PROPERTY DAMAGE, PERSONAL INJURY OR DEATH.
EMERGENCY
HEAT
RELAY
13
42
BLUE
WHITE
BLACK
BROWN
THERMOSTAT
OT/EHR18-60 #2
2
1
From Air Handler
CGW2 R
CRW2OY
From Outdoor Unit
C
G
W2
E
R
O
Y
Indoor Thermostat
W3
W3
BLUE
G
R
EEN
W
HITE
RE
D
BROWN
B
L
UE
R
E
D
WHITE
ORANGE
Y
E
L
LOW
15kw and Above with Two OT/EHR18-60's, Two Stage Electric Heat and Two Stage Thermostat
HEAT
RELAY
EMERGENCY
THERMOSTAT
1
4
3
2
1
2
BROWN
BLACK
WHITE
BLUE
OT/EHR18-60 #1
RED
RED
Typical Wiring Schematics for OT/EHR18-60 (Outdoor Thermostat & Emergency Heat Relay).
This wiring diagram is for reference only. Not all wiring is as shown above.
Refer to the appropriate wiring diagram for the unit being serviced.

Table of Contents

Related product manuals