EasyManua.ls Logo

GOVI arktik 2000P - Page 35

Default Icon
48 pages
Print Icon
To Next Page IconTo Next Page
To Next Page IconTo Next Page
To Previous Page IconTo Previous Page
To Previous Page IconTo Previous Page
Loading...
50.04.504 / 1.0
Copyright by GOVI GmbH 2021. The reproduction of this document or any part thereof is prohibited. We reserve the right to make technical changes during the course of further developments.
OPERATION MANUAL - Trailer Refrigeration Unit
arktik 1600N • 1600 N/T • 2000N • 2500N • 2000P • 2500 N/K • 2000 P/K
35
Page
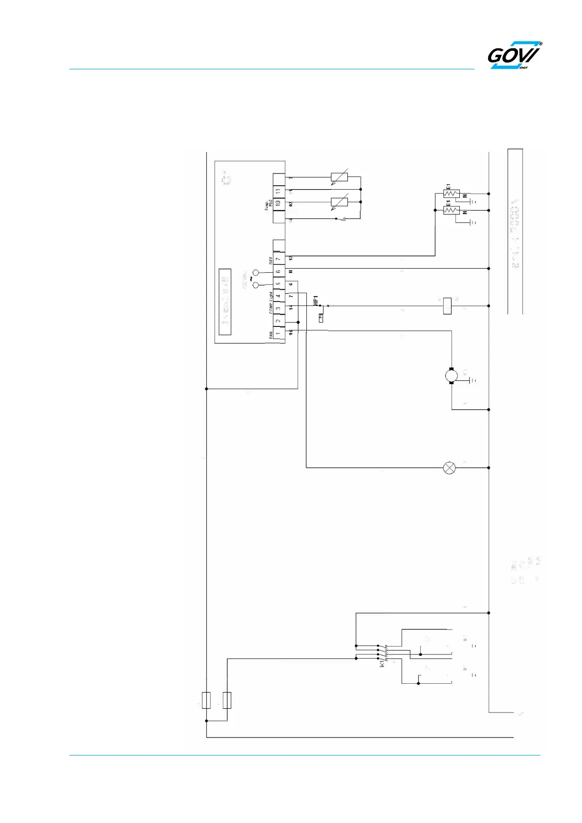
The wiring diagram is placed inside the main cover of the trailer
refrigeration unit.
F2
F1
2
4
l
e
,
1 1
�

 
C1=35yF
F1= 16A
F2= 5A


6
H1
6

M

M3
 
C1
230VAC
Room
Door
Pb1
8 9 
0 0 0
 

K1

I Title
arktik 2000N
Fig. 13-2 Wiring Diagrams

Related product manuals