EasyManua.ls Logo

Grace m903 - Block Diagram

Grace m903
17 pages
Print Icon
To Next Page IconTo Next Page
To Next Page IconTo Next Page
To Previous Page IconTo Previous Page
To Previous Page IconTo Previous Page
Loading...
page 14
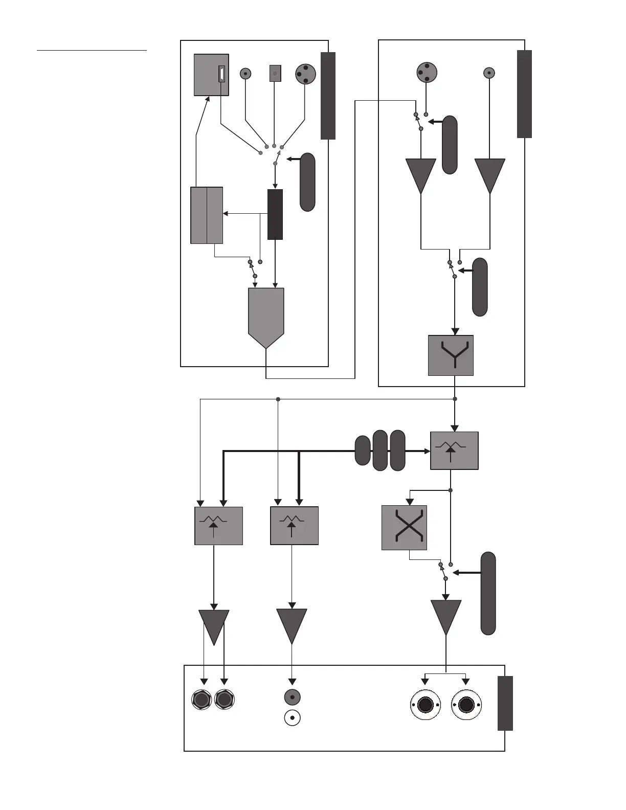
Block Diagram
UNBALANCED LINE
OUTPUT AMPLIFIER
DAC
UNBALANCED
ANALOG INPUT
BALANCED
ANALOG INPUT
BALANCED INPUT AMP
UNBALANCED INPUT AMP
2-CHANNEL
2-CHANNEL
line 1
HEADPHONE
OUTPUTS
INPUT SELECT
AES INPUT
AES3 RX
S/PDIF INPUT
TOSLINK INPUT
s-Lock PLL
CLOCK
AUDIO
24-bit / 192kHz
USB
module
INPUT SELECT
INPUT SELECT
CROSSFEED
LINE OUTPUT
LEVEL CONTROL
HEADPHONE OUTPUT
LEVEL CONTROL
UNBALANCED
ANALOG OUTPUT
CROSSFEED ENABLE
TRANSIMPEDANCE
HEADPHONE AMPLIFIER
Master clock
MONO
LINE OUTPUT
LEVEL CONTROL
2-CHANNEL
line 2
BALANCED LINE
OUTPUT AMPLIFIER
BALANCED
ANALOG OUTPUT
BALANCE
LEVEL
MUTE
ANALOG INPUTS
DIGITAL INPUTS
OUTPUTS

Related product manuals