EasyManua.ls Logo

Graco 25R757 - Wiring Diagram

Graco 25R757
44 pages
Print Icon
To Next Page IconTo Next Page
To Next Page IconTo Next Page
To Previous Page IconTo Previous Page
To Previous Page IconTo Previous Page
Loading...
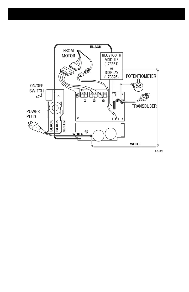
Wiring Diagram
334641J 41
Wiring Diagram

Related product manuals