EasyManua.ls Logo

Gravely 988060 - Drive Train Systems and Troubleshooting; Drive Train Troubleshooting Steps; Transmission Serviceability Check; Transmission Removal Process

Gravely 988060
46 pages
Print Icon
To Next Page IconTo Next Page
To Next Page IconTo Next Page
To Previous Page IconTo Previous Page
To Previous Page IconTo Previous Page
Loading...
7 - 21
7.1 TROUBLESHOOTING
If the unit will not move or mow when the engine is
running, do the following:
1. Stop the engine. Remove the ignition key.
2. See if the drive chain is broken or off the sprockets.
If necessary, install or replace the drive chain.
3. See if the transmission belt is broken or out of
place. If necessary, install, replace or adjust the
transmission belt. See section on Adjustments.
4. See if the PTO clutch belt is broken or off the
pulleys. If necessary, install or replace the PTO
clutch belt.
5. See if the mower belt is broken or off the pulleys. If
necessary, install, replace or adjust the mower belt.
See mower operator’s manual.
7.2 TRANSMISSION
The transmission is not serviceable. Place gear
selector in gear and turn the input shaft. The output
shaft will turn. It may be easier to remove the drive
chain when performing this test. If the output shaft
does not turn, replace the transmission.
7.3 TRANSMISSION REMOVAL
1. Remove the chain and sprocket.
2. Disconnect the shift linkage from the shift arm.
3. Remove mounting bolts.
Replace in reverse order, making sure the chain
sprockets line up.
7.4 REPLACING THE TRANSMISSION
BELT
Pro 100 and Pro 150
1. Stop the engine. Remove ignition key. Put PTO
lever in the "OFF" position. Put the shift lever in
neutral.
2. Loosen belt finger plate and remove mower belt
from engine sheave (Figures 18 and 19).
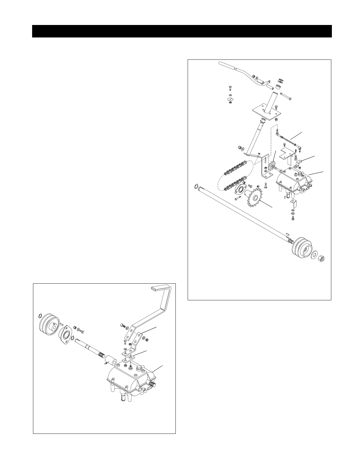
SECTION 7 - DRIVE TRAIN
1. Shift Arm
2. Shift Plate (Pro 150
only)
3. Transmission
Figure 16 - Pro 100 and Pro 150
1
2
3
1
2
3
4
5
1. Transmission Shifting
Rod
2. Transmission Shift Arm
3. Pro Line
Transmission
4. Idler Sprocket
5. Sprocket Weldment
Figure 17 - Pro 200
PG0560

Table of Contents

Related product manuals