EasyManua.ls Logo

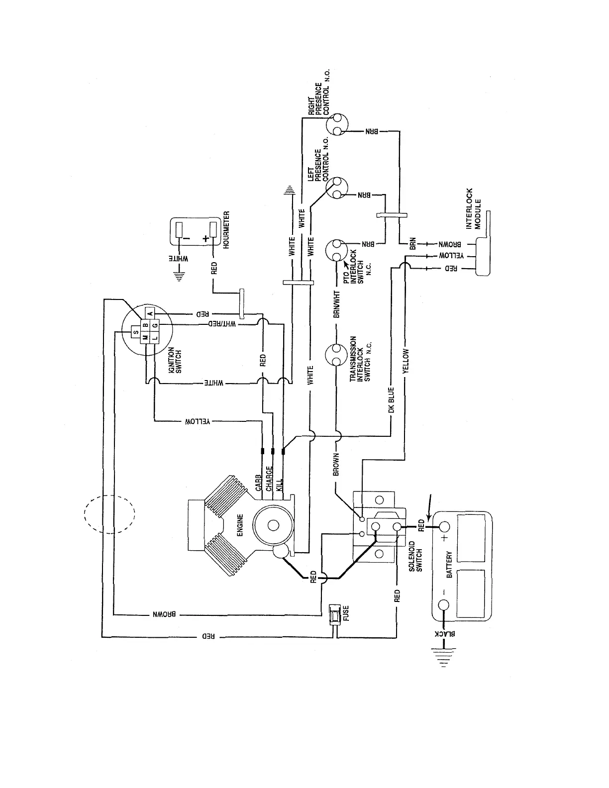
Gravely 988060 - Pro 200 Briggs & Stratton 16 HP Wiring Diagram

Gravely 988060
46 pages
Print Icon
To Next Page IconTo Next Page
To Next Page IconTo Next Page
To Previous Page IconTo Previous Page
To Previous Page IconTo Previous Page
Loading...
9 - 42
Pro 200, Briggs & Stratton 16 HP

Table of Contents

Related product manuals