EasyManua.ls Logo

Gravely Promaster 320 - Controls and Operation; Controls and Features Overview

Gravely Promaster 320
30 pages
Print Icon
To Next Page IconTo Next Page
To Next Page IconTo Next Page
To Previous Page IconTo Previous Page
To Previous Page IconTo Previous Page
Loading...
9
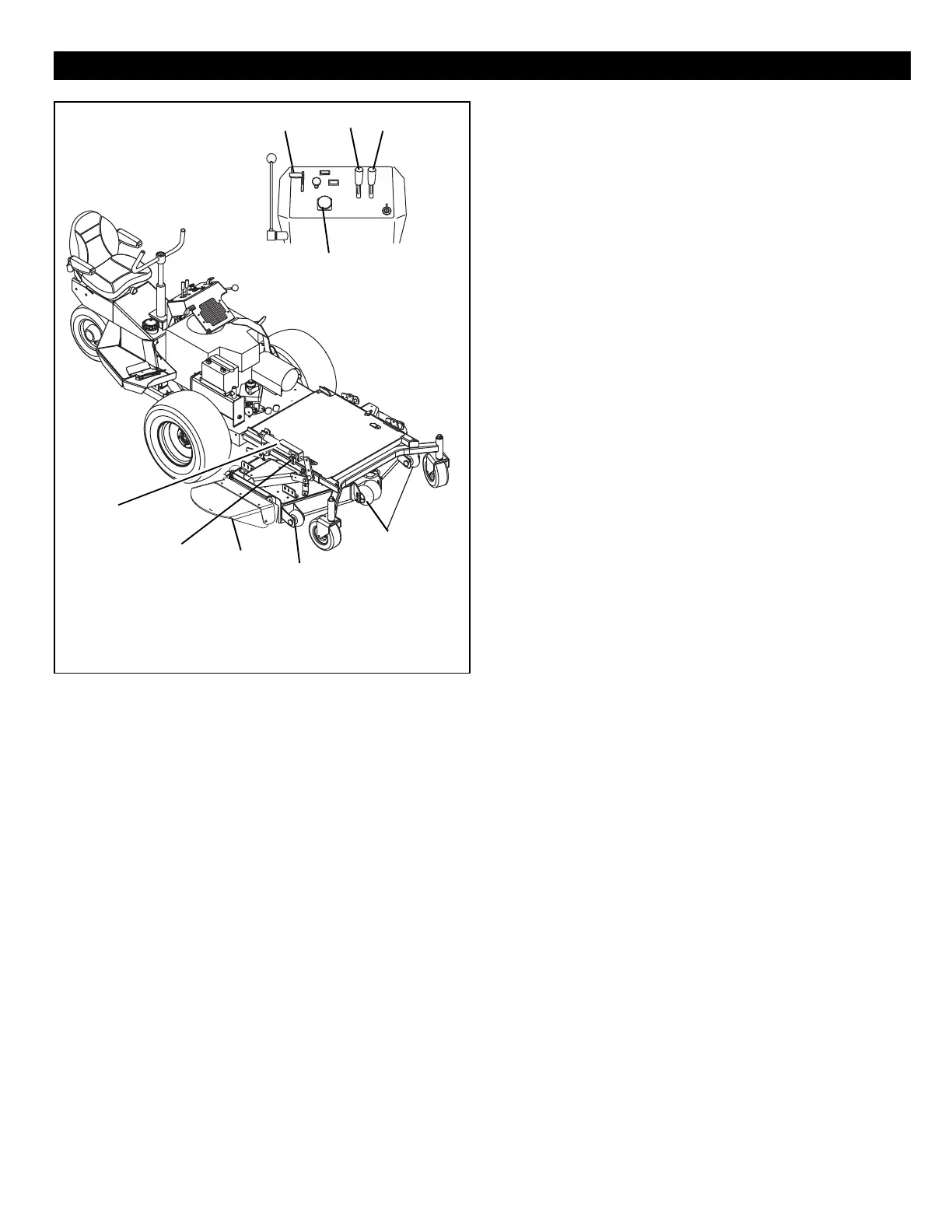
1. Throttle Lever
1. Deck Lift Lever
2. Cut Height Lever
3. PTO Switch
4. Anti-Scalp Roller
5. Discharge Chute
6. Cylinder Stops
7. Height of Cut Indicator
CONTROLS AND FEATURES
Figure 9
OF3413
2
1
3
7
6
5
1
4
4

Other manuals for Gravely Promaster 320

Related product manuals