EasyManua.ls Logo

Greenfire GF40 - Wiring Diagram

Greenfire GF40
40 pages
Print Icon
To Next Page IconTo Next Page
To Next Page IconTo Next Page
To Previous Page IconTo Previous Page
To Previous Page IconTo Previous Page
Loading...
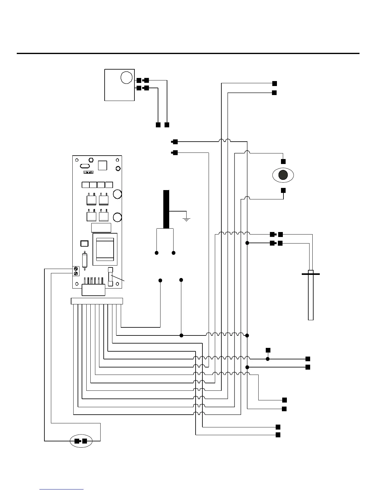
Wiring Diagram
Connect
Thermostat
Here
Red
Red
Red
Red
Brown
Brown
Brown
Brown
White
White
White
White
115V
White
220V
Blue
White
White
Orange
Orange
Orange
Orange
Yellow
Yellow
Grey
Grey
Grey
Grey
Purple
Purple
Blue
115V
Black
220V
Brown
Black
Black
Black
Blue
Black
Armor Cable Supplied
Vacuum
Switch
Combustion
Blower
Optional Exterior
Exhaust Blower
Power
Cord
Ground
Ignitor
Exhaust
Temperature
Sensor
5 Amp
Fuse
High Limit
Temperature
Sensor
Convection
Blower
Auger
Motor
Com
monHot
Thermostat
GF40 Freestanding Pellet Stove | 31
31
|
maintenance