EasyManua.ls Logo

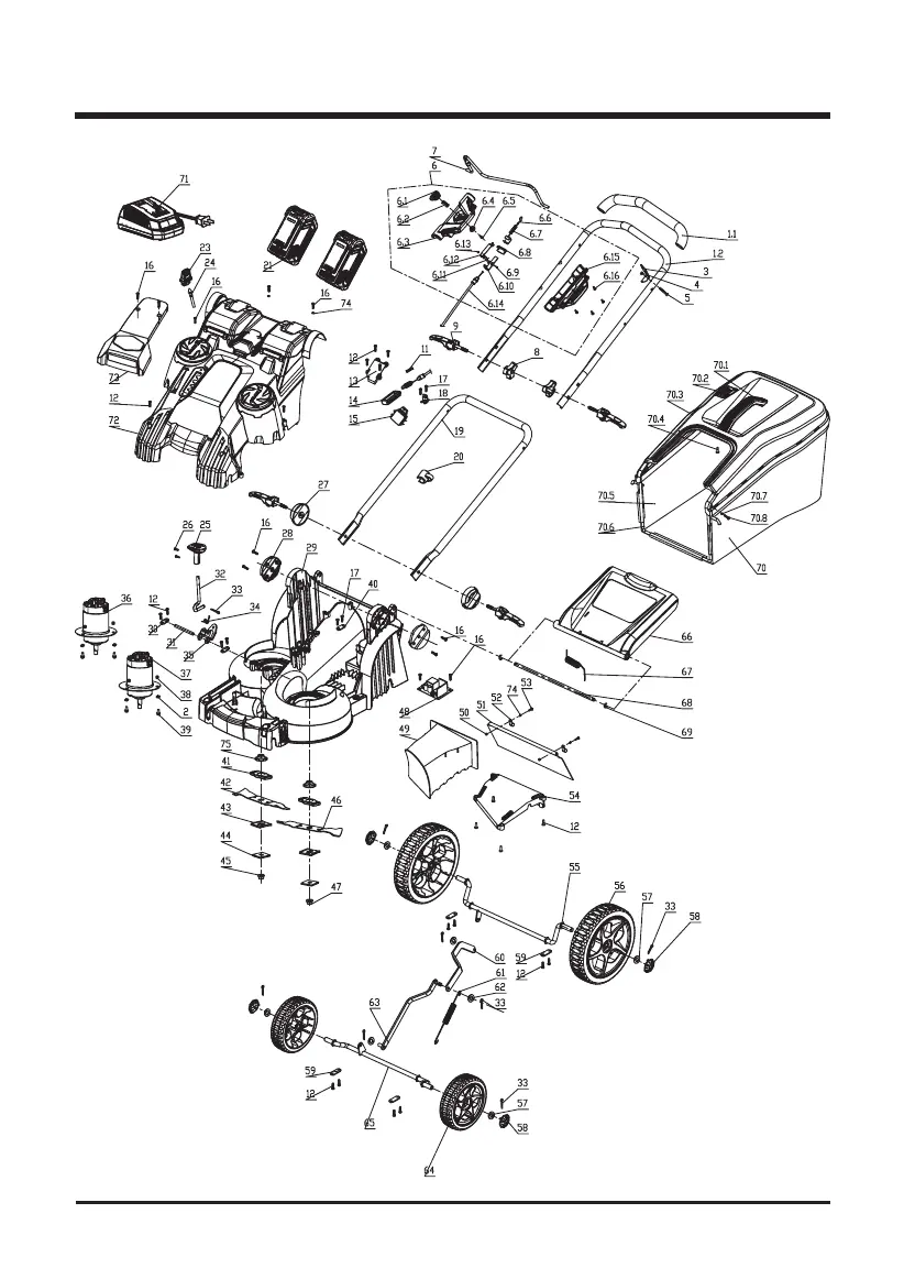
GreenWorks 25282 - EXPLODED VIEW; Mower Components Diagram

GreenWorks 25282
37 pages
Print Icon
To Next Page IconTo Next Page
To Next Page IconTo Next Page
To Previous Page IconTo Previous Page
To Previous Page IconTo Previous Page
Loading...
33
EXPLODED VIEW