EasyManua.ls Logo

Grundig Aura - Page 15

Grundig Aura
37 pages
Print Icon
To Next Page IconTo Next Page
To Next Page IconTo Next Page
To Previous Page IconTo Previous Page
To Previous Page IconTo Previous Page
Loading...
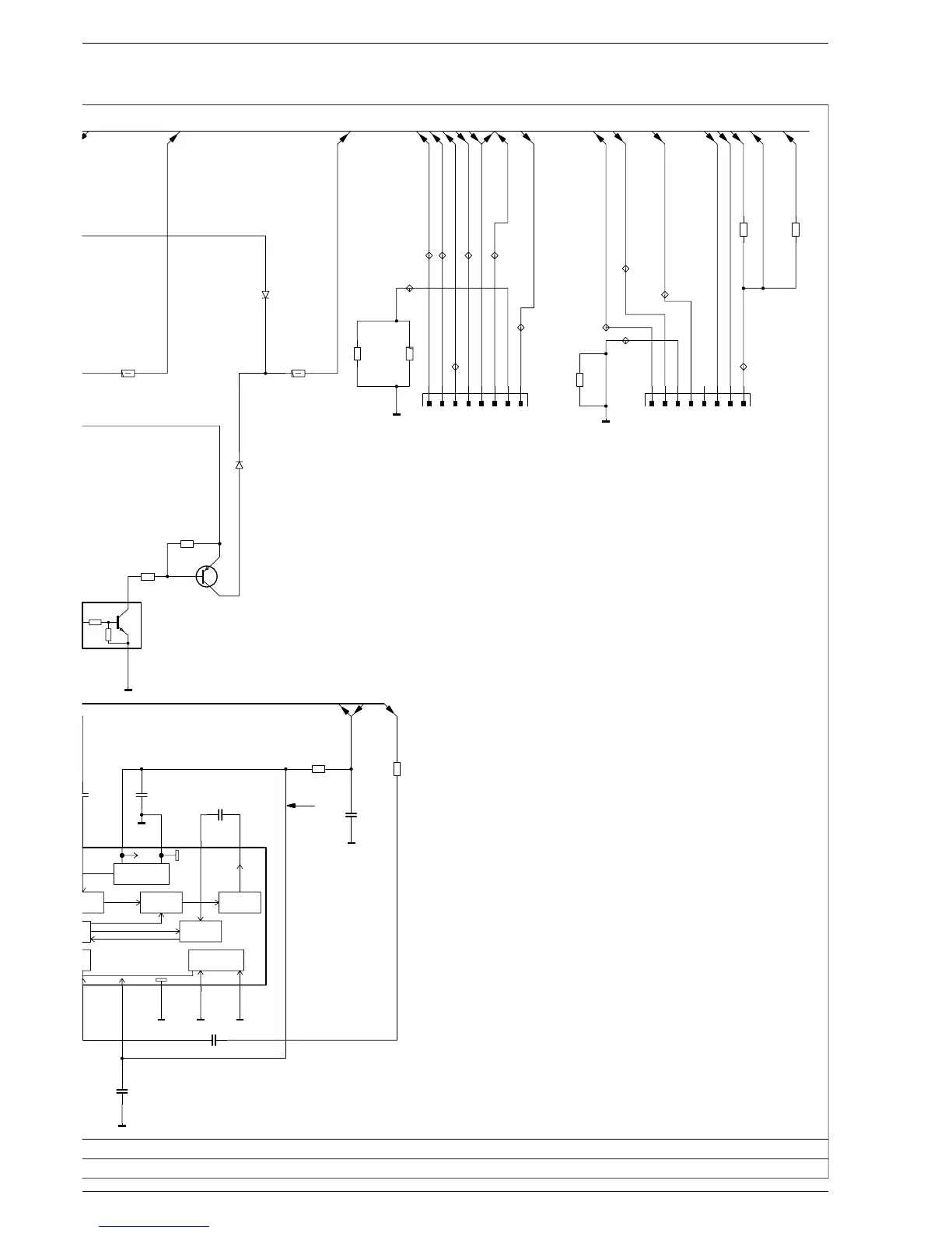
Schaltpläne und Druckplattenabbildungen / Circuit Diagrams and Layout of PCBs AURA
16 GRUNDIG Service
805
0R
CR2116GK
805
0R
CR2114GK
603
CR1219BS
22K
603
CR1218BS
3K3
BC808/40
CT1212BS
47K
D
TC144EK
47K
C
T1211BS
603
CR2101GA
47K
BC808/40
FMP2116
FMP2113
FMP2109
FMP2111
603
CR2109GA
1K0
FMP2108
FMP2107
FMP2106
FMP2104
FMP2103
FMP2102
FMP2110
FMP2101
0R
R2113GK
8
7
6
5
4
3
2
1
BU1202
8
7
6
5
4
3
2
1
BU1201
22R
R1202V
22R
R1206V
1N4004
D1206BS
1N4004
D1207BS
1N4004
SCL
RELEASE
S1-2
+G
BLINK-LED
S1
BEL-SET
BEL-SET
BEL-SET
ON/OFF
INKINIT
S2
SDA
INKREM
+5V
BEL-NOT
BEL-NOT
19373-129.00 SEAT AURA
2116
2112
2113
2111
2109211021082106
2104
2103
2102
2101
2107
MAIN BOARD
HAUPTPLATTE
GND-DIGI
S
ORGUNG-BELEUCHTUNG
U
PPLY ILLUMINATION
*
*
*
*
0R
CR502
CC502
10N
CC508
100N
CC503
100N
CC509
10P
CR501
10R
VP1
SELEKTOR SWITCH
OUTPUT
TESTLOGIC AND
P
COMARATOR
CLOCKED
ILTER
A
SING
ANTI
(8th ORDER)
BANDPASS
57KHZ
FILTER
RECONSTRUK.
VOLTAGE
REFERENZ
VDDD VSSD TEST TSTLD
SCOUTCINVSSAVDDA
SAA6579T
12 91011
5678
8305-826-579
CIC501
22N
CC501
330P
+G
4MHZ332
4V8
*
*
*
*
*
*
+5V
zu BU1001 Bedienplatte
to BU1001 Operating Board
zu BU1002 Bedienplatte
to BU1002 Operating Board
+5V
+5V
+
14V
* = BAUTEILE REFLOWSEITE
* = COMPONENTS REFLOW SIDE

Related product manuals