EasyManua.ls Logo

Grundig Aura - Amplifier Part; Endstufen-Teil

Grundig Aura
37 pages
Print Icon
To Next Page IconTo Next Page
To Next Page IconTo Next Page
To Previous Page IconTo Previous Page
To Previous Page IconTo Previous Page
Loading...
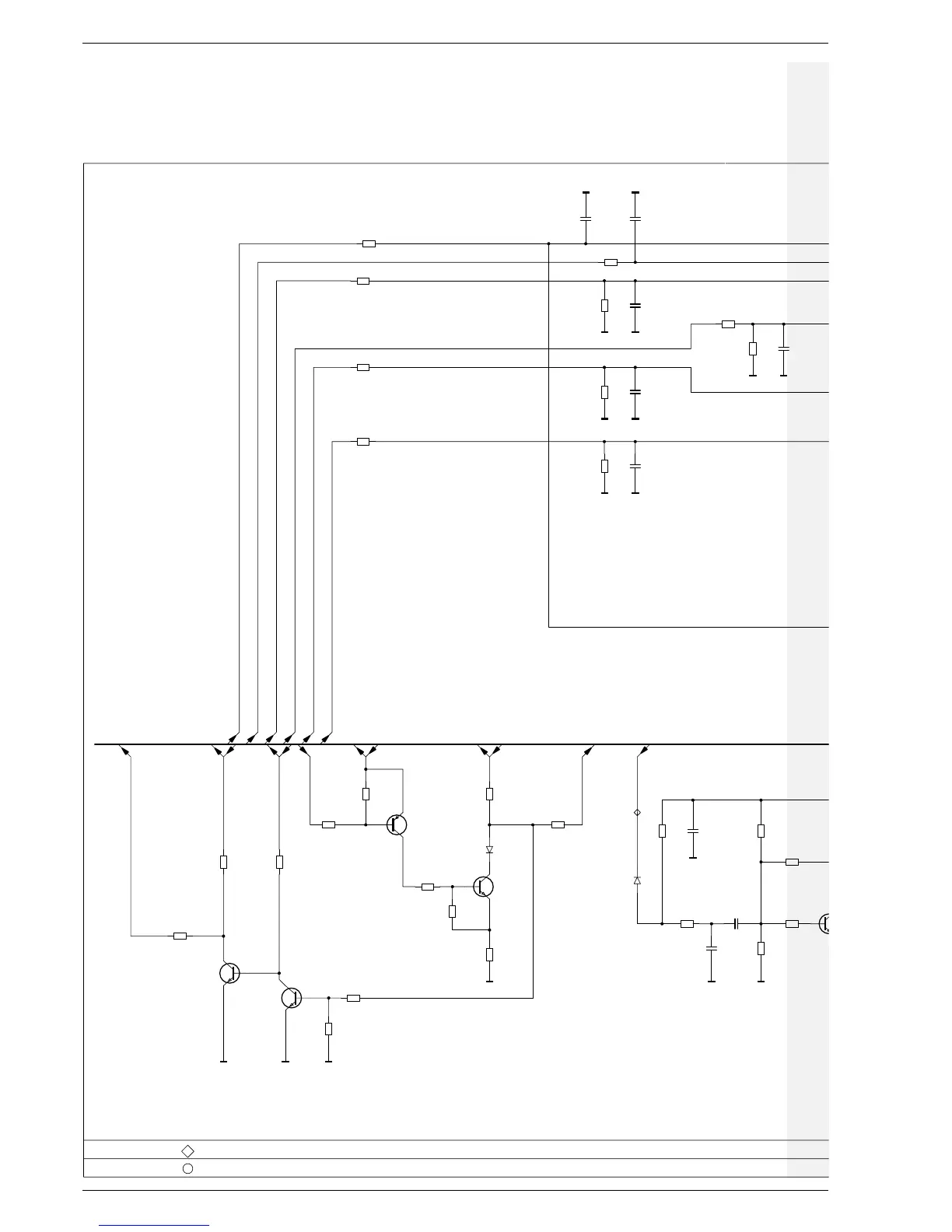
Schaltpläne und Druckplattenabbildungen / Circuit Diagrams and Layout of PCBs AURA
30 GRUNDIG Service
Endstufen-Teil / Amplifier Part
603
CR913R
47R
805
0R
CR919V
BAS16
CD901R
603
CR909R
5K6
FMP1401
603
CR911R
2K2
603
CR908R
22K
603
CR907R
75K
603
CR912R
100K
603
CR901R
2K2
603
CR904R
180K
603
CR1609V
2K7
603
CR1612V
2K7
603
CR1608V
2K7
603
CR1611V
2K7
603
CR1607V
2K7
603
CR1604V
2K7
603
CR1606V
2K7
603
CR1603V
2K7
603
CR1406S
470K
603
CR1401S
47K
603
CR1403S
560K
CR1408S
603
CR1402S
47K
603
CR1404S
56K
603
CR1407S
47K
603
CR1601
10K
603
CR1602
10K
603
CR906R
680K
603
CR903R
100K
603
CR902R
47K
603
2N2
CC1607V
603
2N2
CC1606V
603
2N2
CC1603V
603
2N2
CC1604V
603
100N
CC1401S
603
100N
CC1403S
603
2N2
CC1402S
805
CC1602
100N
BAS16
CD1401S
BC818/40
CT904R
BC848B
BC848C
CT902R
BC848C
CT901R
805
CC1601
100N
BC858C
CT903R
E-TXD
E-RXD
FB1/K-LTG
AMP-ON
REAR-R
REAR-L
FRONT-R
FRONT-L
+5V
+5V
+A
+A
SCV
NF-MUTE
1401
SCV
ABGLEICHPUNKTE
MESSPUNKTE
*
*
*
*
*
*
*
*
**
*
*
*
*
*
*
*
*
*
*
*
*
*
*
*
**
+14V+14V

Related product manuals