EasyManua.ls Logo

Grundig Aura - Page 30

Grundig Aura
37 pages
Print Icon
To Next Page IconTo Next Page
To Next Page IconTo Next Page
To Previous Page IconTo Previous Page
To Previous Page IconTo Previous Page
Loading...
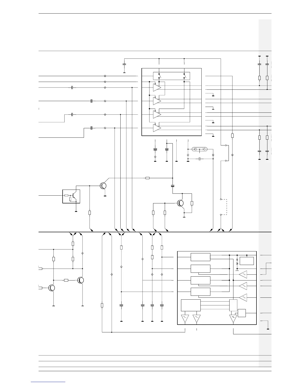
AURA Schaltpläne und Druckplattenabbildungen / Circuit Diagrams and Layout of PCBs
GRUNDIG Service 31
BC848C
CT1602DA
+
47U/10V
C1612DA
603
10K
CR1619DA
603
100K
CR1621DA
603
22K
CR1618DA
603
22K
CR1617DA
BC818/40
CT1601DA
BAV99
CD1601HT
FMP2009
FMP2003
FMP2005
FMP2006
FMP2002
FMP2007
FMP1610FMP1609
FMP1608
FMP1606
FMP1605
FMP1604
FMP1603
FMP1602
603
R
1406S
4
70K
FMP1607
603
CR1411S
1K0
603
CR1412S
47K
603
CR1408S
100K
603
R
1407S
47K
603
CR1409S
1K0
0R
R2008
FMP1601
+
10U/16V
C2001
603
2N2
603
100K
CR1616DA
805
150N
CC1618V
+
10U/16V
C2003
+
10UF
C1623V
805
150N
CC1613V
+
10U/16V
C2004
F
8555-264-773
100N
C1621
BC848B
CT1401S
0R
R2005
BC848B
CT1402S
603
CR2201DH
0R
B9
B10
603
1N0
CC1605HT
805
4R7
CR1621V
IGNITION THRESHOLD
5V
IGN OUTRESET LVW/FAULT
OUT 16V
OUT 10V
OUT 5V
STAND-BY
SIG GND
IGN INP
EN 16V
EN 10V
STCAP
EN 5V
POW GND
VS
PROT
RESET
THERMAL PROT
UNDERVOLTAGE
OVERVOLTAGE
VREF2 RESET THRESHOLD
VREF1 LVW THRESHOLD
VCAP
GEN
REF
BATT PROT
AND REV
LOAD DUMP
SWITCHED
VOLTAGE CLAMP
16V, 3A
SWITCHED
REGULATOR
10V, 500MA
SWITCHED
REGULATOR
5V, 1000MA
STAND-BY
REGULATOR
5V, 100mA
1
2
3
4
5
6
7
8
9
10
11
12
1314
15
L4953
8305-204-953
IC2001
805
CR2001
470R
B6
B5
C
R
805
150N
CC1611V
805
150N
CC1616V
47K
DTC144EK
47K
CT1603DA
0R
R2006
+
U1/50V
C1622H
805
4R7
CR1622V
0R
R2007
805
22N
CC1632V
CR1623V
805
22N
CC1631V
CC1633V
805
22N
CC1626H
+
10U/16V
C2002
CR1628H
805
4R7
CR1627V
805
4R7
CR1626H
CC1628H
805
22N
CC1627V
N.C.
TABSVRAC-GND S-GND
P-GND1
P-GND2
P-GND3
P-GND4
OUT4-
OUT4+
OUT3-
OUT3+
OUT2-
OUT2+
OUT1-
OUT1+
VCC2VCC1
ST-BY
IN4
IN3
IN2
MUTE
IN1
16
17
18
19
20
21
22
23
24
25
3
13
6
8
9
1
2
15
14
10
4
7
5
12
11
TDA7385A
IC1601V
SCV-P
+U
+U
LS-SHORT-R/TAG/NACHT
LS-SHORT-F
+S
+G
+G
+5V
+5V
CLIP
-RESET
+A
RR-DIA
RL-DIA
FR-DIA
FL-DIA
TEMP-END
14V
9.2V
+5V
4.6V
4.8V
14V
20072006
2005
2003
2009
1610
1609
2002
1608
1607
1601
1602
1603
1604
1605
1606
C
V
*
*
*
*
*
*
*
*
*
*
*
*
*
*
*
*
*
*
*
*
*
*
*
*
+14V
+5V
+5V
+9.2V
+14V

Related product manuals