EasyManua.ls Logo

Grundig Aura - Page 24

Grundig Aura
37 pages
Print Icon
To Next Page IconTo Next Page
To Next Page IconTo Next Page
To Previous Page IconTo Previous Page
To Previous Page IconTo Previous Page
Loading...
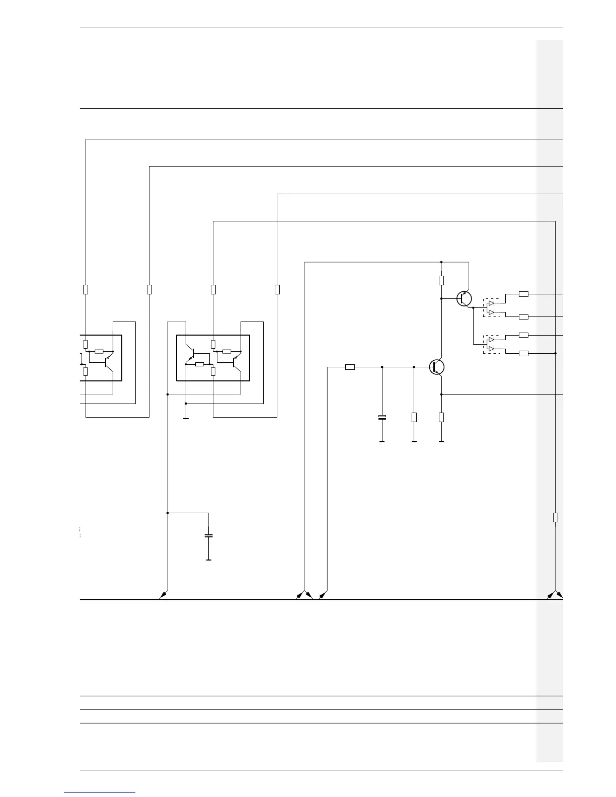
AURA Schaltpläne und Druckplattenabbildungen / Circuit Diagrams and Layout of PCBs
GRUNDIG Service 25
805
12R
CR2221DR
603
CR2211DR
120K
603
CR2209DR
120K
603
120K
CR2213V
603
120K
CR2212V
603
CR2217D
100R
805
12R
CR2222V
603
CR2216D
15K
603
CR2218D
47K
805
12R
CR2223V
BC848C
CT2206D
805
0R
CR2247DA
BC808/40
CT2207D
654
321
47K
47K
47K
47K
IMH2
CT2204DF
65
21
47K 47K
47K
IMH2
CT2203DR
BAW56
CD2202DF
+
2U2/50V
C2207D
603
100N
603
100N
CC2206DF
603
CR2214D
10K
805
12R
CR2219DR
BAW56
CD2201DR
-LS-CHECK-F
R-1
LS-OPEN
+G
FR +
A 16
*
**
*****
*
*
*
*
*
*
*
*
*
+5V

Related product manuals