EasyManua.ls Logo

Grundig Aura - Page 26

Grundig Aura
37 pages
Print Icon
To Next Page IconTo Next Page
To Next Page IconTo Next Page
To Previous Page IconTo Previous Page
To Previous Page IconTo Previous Page
Loading...
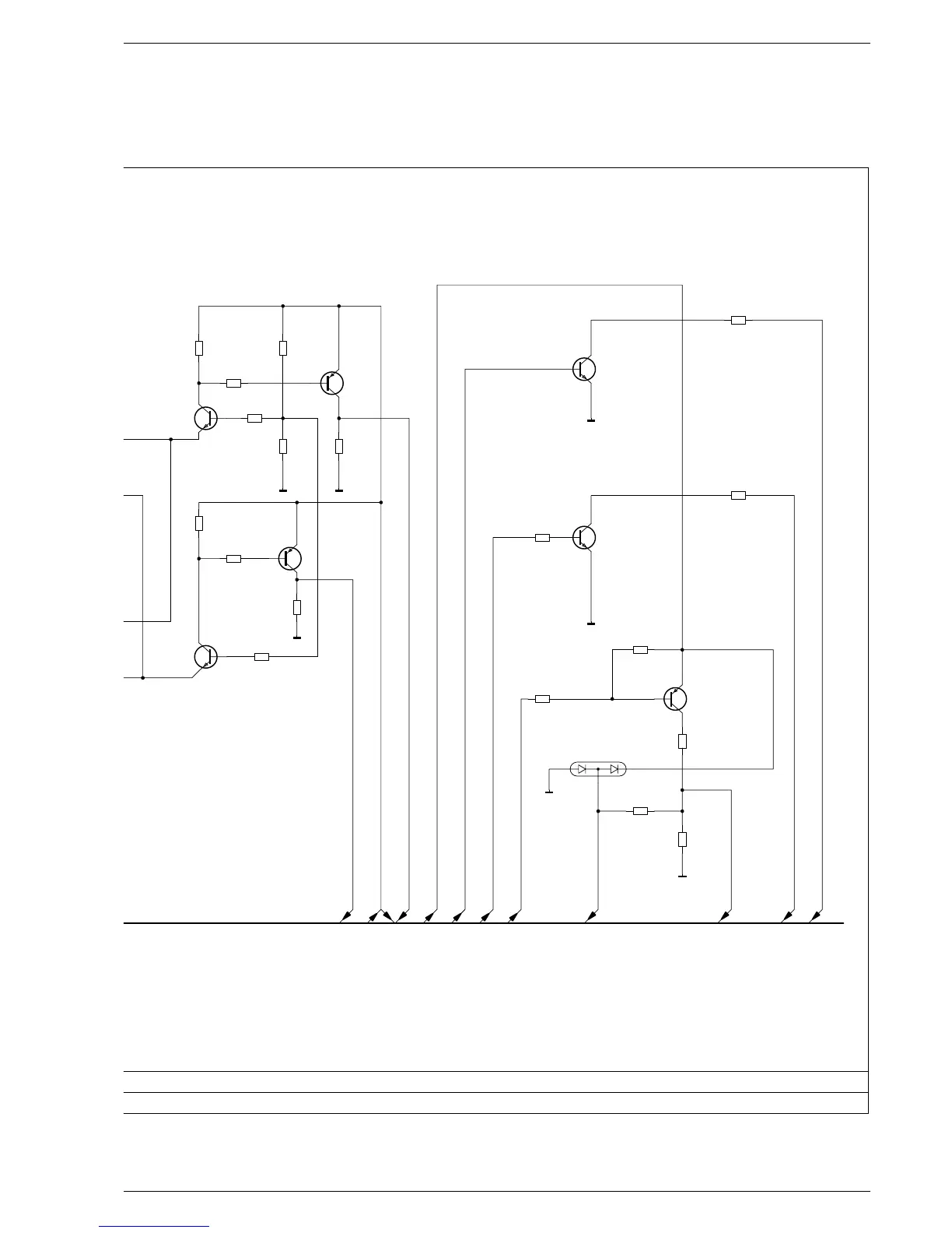
AURA Schaltpläne und Druckplattenabbildungen / Circuit Diagrams and Layout of PCBs
GRUNDIG Service 27
603
CR2241DF
4K7
603
CR2309EV
10K
603
CR2311EV
10K
BC858C
CT2303EV
BAV99
CD2302EV
603
CR2312EV
1K0
603
CR2316EV
100K
603
CR2308EV
680R
603
CR2304EV
680R
BC848C
CT2301EV
603
CR2242DR
100K
603
CR2243DR
22K
603
CR2244DR
4K7
603
CR2246DR
22K
BC858C
CT2216DR
603
CR2237DF
22K
BC858C
CT2214DF
603
CR2234DF
100K
603
CR2236DF
750R
603
CR2239DF
270R
603
CR2238DF
22K
BC848C
CT2213DF
BC848C
CT2217DR
BC848C
CT2302EV
603
CR2302EV
22K
603
CR2314EV
100K
CL-OUT
EN-IN
CLIP-GND-R
CLIP-GND-F
DISP-CL
DA-OUT
DISP-EN
EN-OUT/BEL-KEY
+G
+G
DISP-DA
31.03.98
19373-129.00 SEAT AURA
MAIN BOARD
HAUPTPLATTE
Alle Rechte vorbehalten
Eigentums wird zivil- und
Missbrauch des geistigen
Weiterverwertung,insbesondere
strafrechtlich verfolgt.
Nachahmung oder sonstiger
*
*
*
*
*
*
*
*
*
*
*
*
*
*
*
*
**
*
*
**
*
+5V
* = BAUTEILE REFLOWSEITE
* = COMPONENTS REFLOW SIDE

Related product manuals