EasyManua.ls Logo

Grundig STR 6000 - Technical Schematics and Layouts; Power Supply and Main Circuit Diagrams

Grundig STR 6000
Print Icon
To Next Page IconTo Next Page
To Next Page IconTo Next Page
To Previous Page IconTo Previous Page
To Previous Page IconTo Previous Page
Loading...
STR 6000 Schaltpläne und Druckplattenabbildungen / Circuit Diagrams and Layout of PCBs STR 6000 Schaltpläne und Druckplattenabbildungen / Circuit Diagrams and Layout of PCBs
GRUNDIG Service GRUNDIG Service
Schaltpläne und Druckplattenabbildungen / Circuit Diagrams and Layout of PCBs
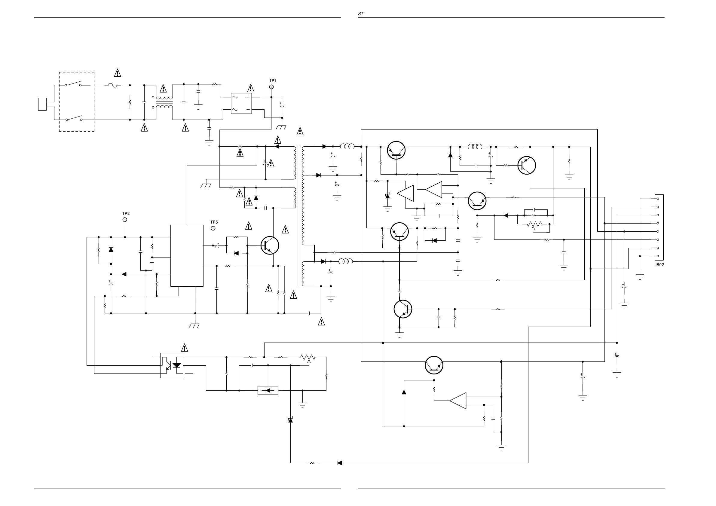
Netzteil / Power Supply
2 - 1 2 - 2
OPTIONAL
GND
POWER ON/OFF
+5V
+12V
+27V
13/18V
LNB
400VAC
400VAC
1
2
3
4
T801
XFR-TA-10-08
D800
DF10M
R814
MO 4.7R 1W
R801
W.W.10 5W
R805
W.W.1K 5W
R802
100K 1W
R800
820K
R811
100 1/4W
R815
MO 2.2R 1W
C800
0.22u/250VAC
F801
T1.25A L 250VAC
C806
330P/1KV
J801
AC MAIN
C805
220u/25V
D802
1N4007
D803
1N4148
D801
RGP10G
D806
RGP10G
D807
RGP10G
D808
HER105
C822
470u/16V
C813
330u/35V
C814
470u/25V
C816
100u/35V
C815
2200u/10V
L801
33U
L802
330U
L803
33U
D812
1N4148
D809
FE1A
1
2
34
5
6
U802
CNX82A
D811
1N4148
D810
1N4148
R838
8.2K
R825
220K
R824
2.2K
R817
100 1/4W
R821
1K 1W
R840
3.3K
1
2
3
U803
TL431
C812
0.1u
R804
F 2.2R 2W
R807
27K 1%
R812
1K
R813
220
C801
0.1u
C811
1000P
C804
68u/450VDC
8
4
1
2
5
7
6
3
U801
3842
Q801
MJF18004
C810
1u 50V
D805
1N4148
R808
10K
R806
1M
R810
1K
R809
10K
D804
1N4148
C807
0.1u
C808
M1000P
C825
1u/50V
R819
1K
R816
470
R818
1.2K
Q802
2SB1143
Q805
2SC1015Y
R823
220
VR801
10K
R828
100K
R836
18K 1%
C819
1000P
R837
1K
C820
100P
Q806
2SC1815Y
R826
1R 1W
R827
10K
R839
8.2K 1%
R834
10K
R835
10K
R830
100K
R833
10K
Q804
2SC1815Y
Q803
2SC1015Y
R829
10K
R831
10K
R832
10K
C817
1000P
C818
1000P
R822
10K
Q807
2SD1913R
R842
1K
R843
3.9K 1%
R845
3.3K 1%
R844
10K
C821
0.1u
3
+
2
-
1
U804A
LM392
5
+
6
-
7
U804B
LM392
8
4
U804C
LM392
C823
470u/16V
C824
470u/35V
CW
VR802
1K
2
3
10
9
1
5
6
7
8
T802
R846
1K
C828
1000P
C827
2200P
C826
22P
J805A
J805B
D813
27V
R848
560
D815
18V
D814
1N4148
R847
1K
1
2
3
4
5
6
7
8
R841
10K
C829
560P
C802
1000P
C803
1000P
Seite/page
2 - 9

Related product manuals