EasyManua.ls Logo

GSi 1226 - Upper Control Box

GSi 1226
92 pages
Print Icon
To Next Page IconTo Next Page
To Next Page IconTo Next Page
To Previous Page IconTo Previous Page
To Previous Page IconTo Previous Page
Loading...
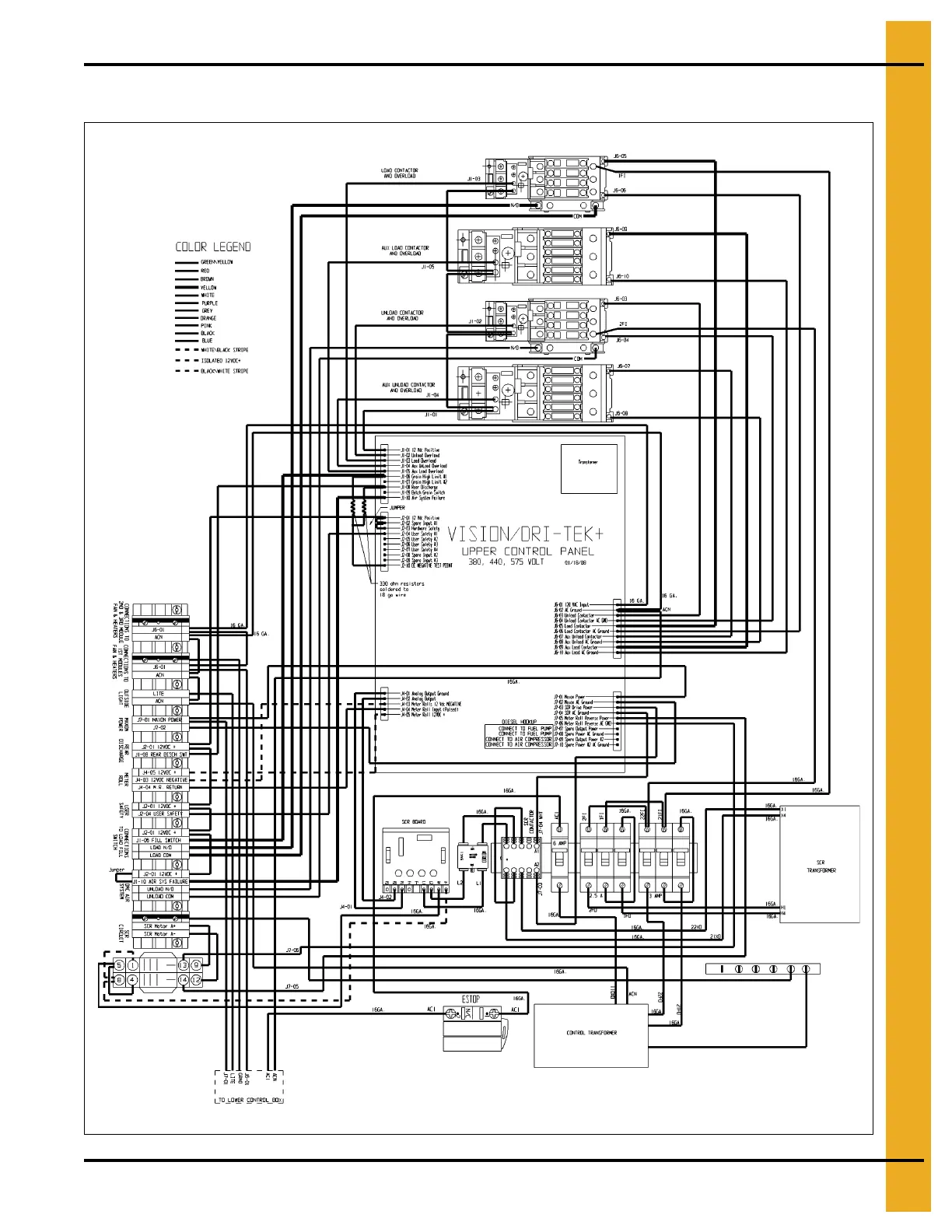
11. Vision Schematics and Wiring Diagrams
PNEG-1717 CE Approved GSI/FFI Portable Dryer Manual 85
Upper Control Box

Table of Contents

Other manuals for GSi 1226

Related product manuals