EasyManua.ls Logo

Hach POLYMETRON 8312 - التركيب

Hach POLYMETRON 8312
456 pages
Print Icon
To Next Page IconTo Next Page
To Next Page IconTo Next Page
To Previous Page IconTo Previous Page
To Previous Page IconTo Previous Page
Loading...
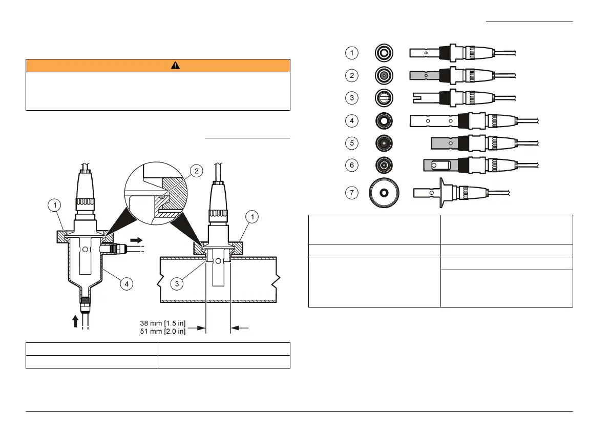
 1   
1 8310 k = 0.01   
     
     .
5 8316 k = 0.1   8315
2 8311 k = 0.1   8310 6 8317 k = 1   8315
3 8312 k = 1   8310 7 8394 k = 0.01   1.5 -
2  .   
      
     -  

4 8315k = 0.01   
 )    (
  )   
 (


   .          

 . 
             
 .
             
 /      .
          2   3. 
     .      446.
 2   
1  3  )   (
2 4  


440

Table of Contents

Related product manuals