EasyManua.ls Logo

Haier AU062FPERA - 4. Piping Diagram

Haier AU062FPERA
77 pages
Print Icon
To Next Page IconTo Next Page
To Next Page IconTo Next Page
To Previous Page IconTo Previous Page
To Previous Page IconTo Previous Page
Loading...
8
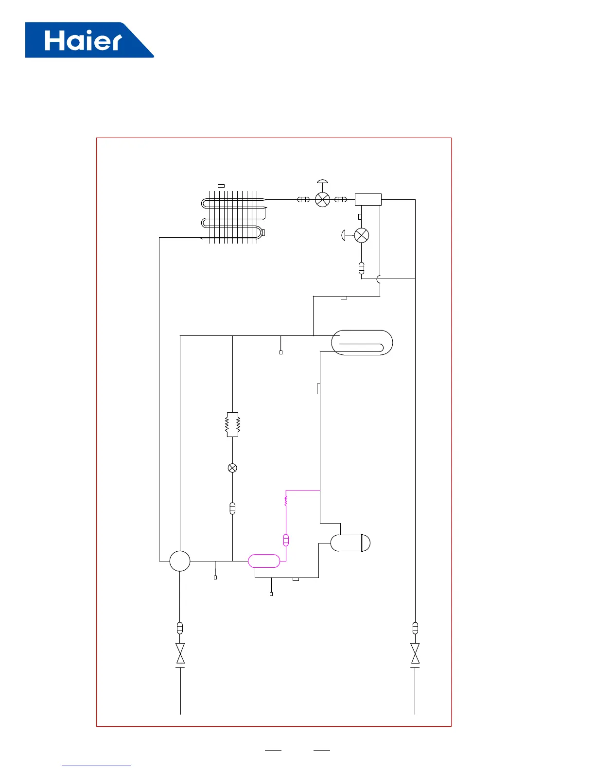
4. Piping
Diagram
Ta
Te
Condensor
Td
Inverter
compressor
d
s
c
e
4wv
Gas pipe stop
valve
Pd
HPS
Ts
PMV
Ps
SV1
EEV
Subcooler
Tc1
Tc2
Liquid
pipe
stop valve
Gas-liquid segregator
Oil segregator

Table of Contents

Other manuals for Haier AU062FPERA

Related product manuals