EasyManua.ls Logo

HALE HP200 - Page 48

Default Icon
72 pages
Print Icon
To Next Page IconTo Next Page
To Next Page IconTo Next Page
To Previous Page IconTo Previous Page
To Previous Page IconTo Previous Page
Loading...
HP SERIES
PORTABLE PUMPS
USER OPERATION AND MAINTENANCE
48
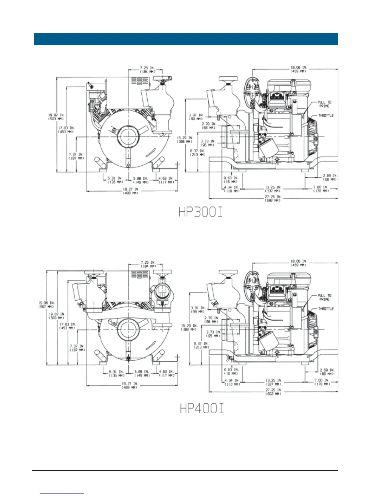
"I" Series Pump Dimensions

Related product manuals