EasyManua.ls Logo

Halstead Ace High - Fault Finding; General Checks and Diagnostic LEDs; Ignition, DHW, and Central Heating Faults

Halstead Ace High
40 pages
Print Icon
To Next Page IconTo Next Page
To Next Page IconTo Next Page
To Previous Page IconTo Previous Page
To Previous Page IconTo Previous Page
Loading...
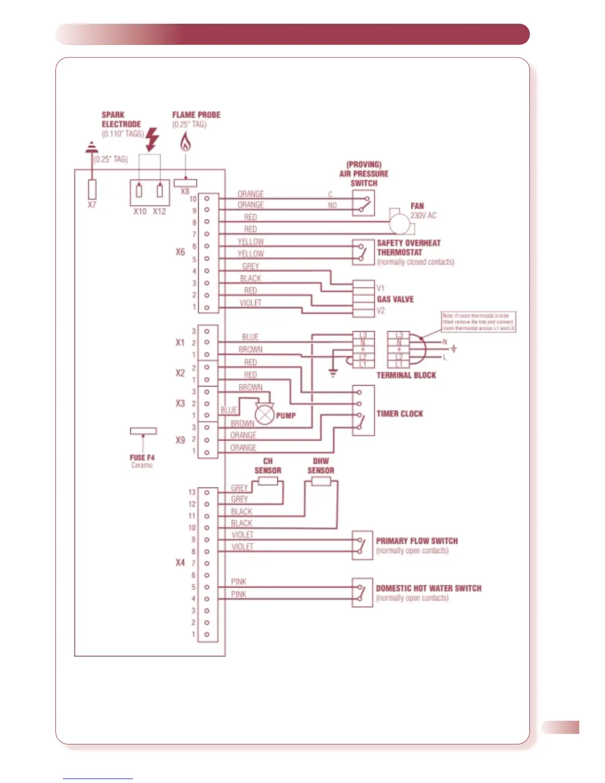
INTERNAL WIRING DIAGRAMS
7
7.1 : FUNCTIONAL FLOW WIRING DIAGRAM
23

Table of Contents

Related product manuals