EasyManua.ls Logo

HANGCHA Mini Range CDD12-A2MJ-SZ - Electric System

HANGCHA Mini Range CDD12-A2MJ-SZ
82 pages
Print Icon
To Next Page IconTo Next Page
To Next Page IconTo Next Page
To Previous Page IconTo Previous Page
To Previous Page IconTo Previous Page
Loading...
68
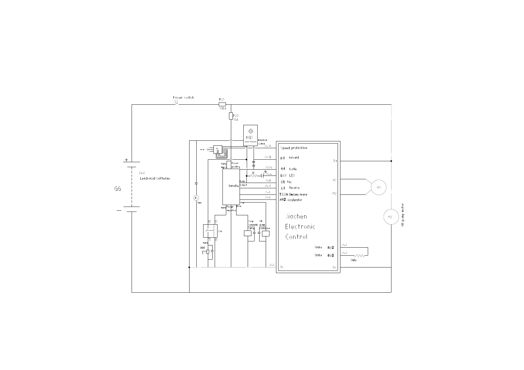
3 Electric system
Electric system of this truck is double wire system, all circuits do not ground. Working voltage is DC24V.
3.1 Electrical schematic diagram
CDD12/15-A2MJ-SZ态CDD12/15-A2MJ-SZDElectrical schematic diagram

Related product manuals