EasyManua.ls Logo

HANGCHA Mini Range CDD12-A2MJ-SZ - Page 73

HANGCHA Mini Range CDD12-A2MJ-SZ
82 pages
Print Icon
To Next Page IconTo Next Page
To Next Page IconTo Next Page
To Previous Page IconTo Previous Page
To Previous Page IconTo Previous Page
Loading...
69
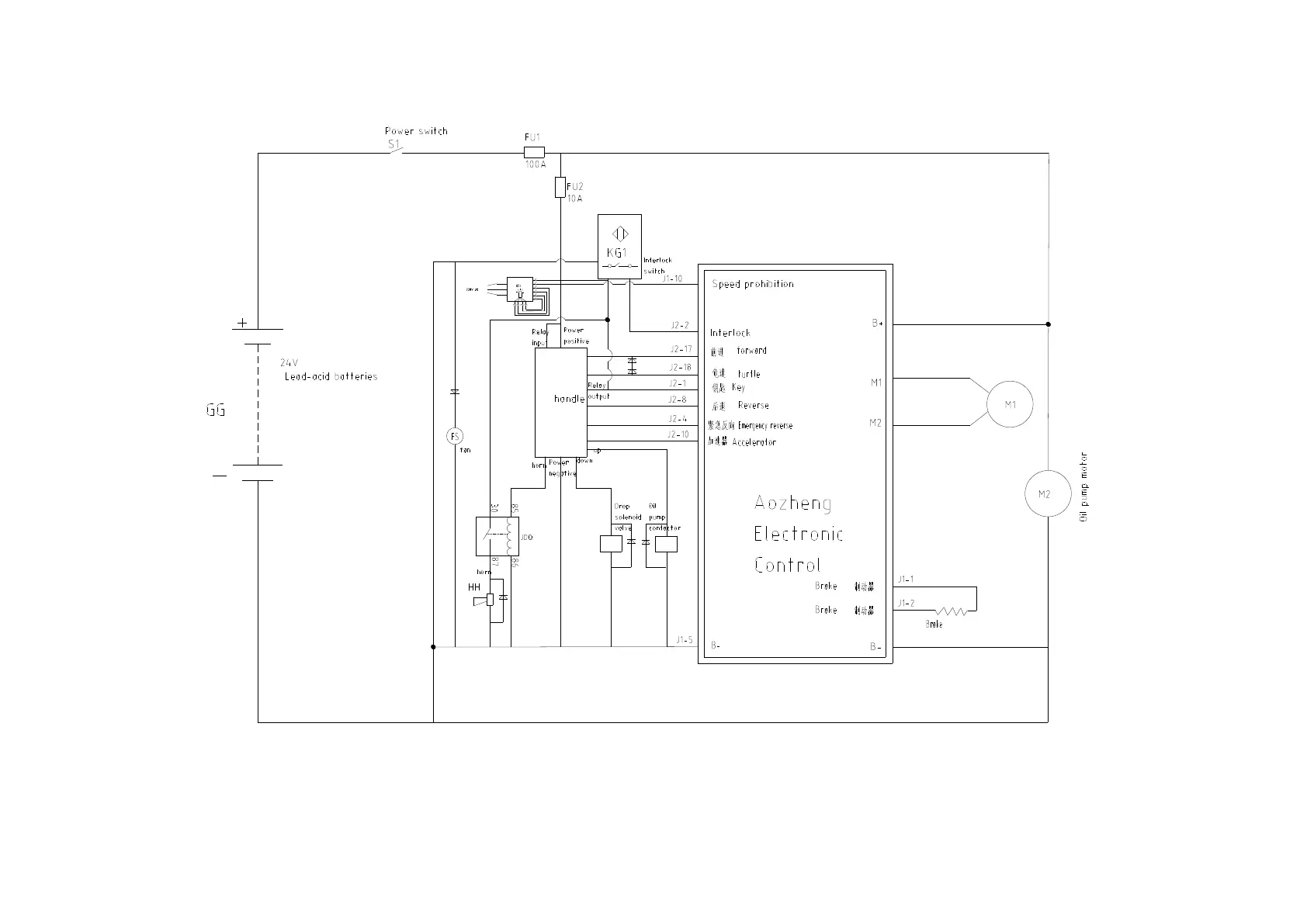
CDD12/15-A2MA-SZ态CDD12/15-A2MA-SZDElectrical schematic diagram

Related product manuals