EasyManua.ls Logo

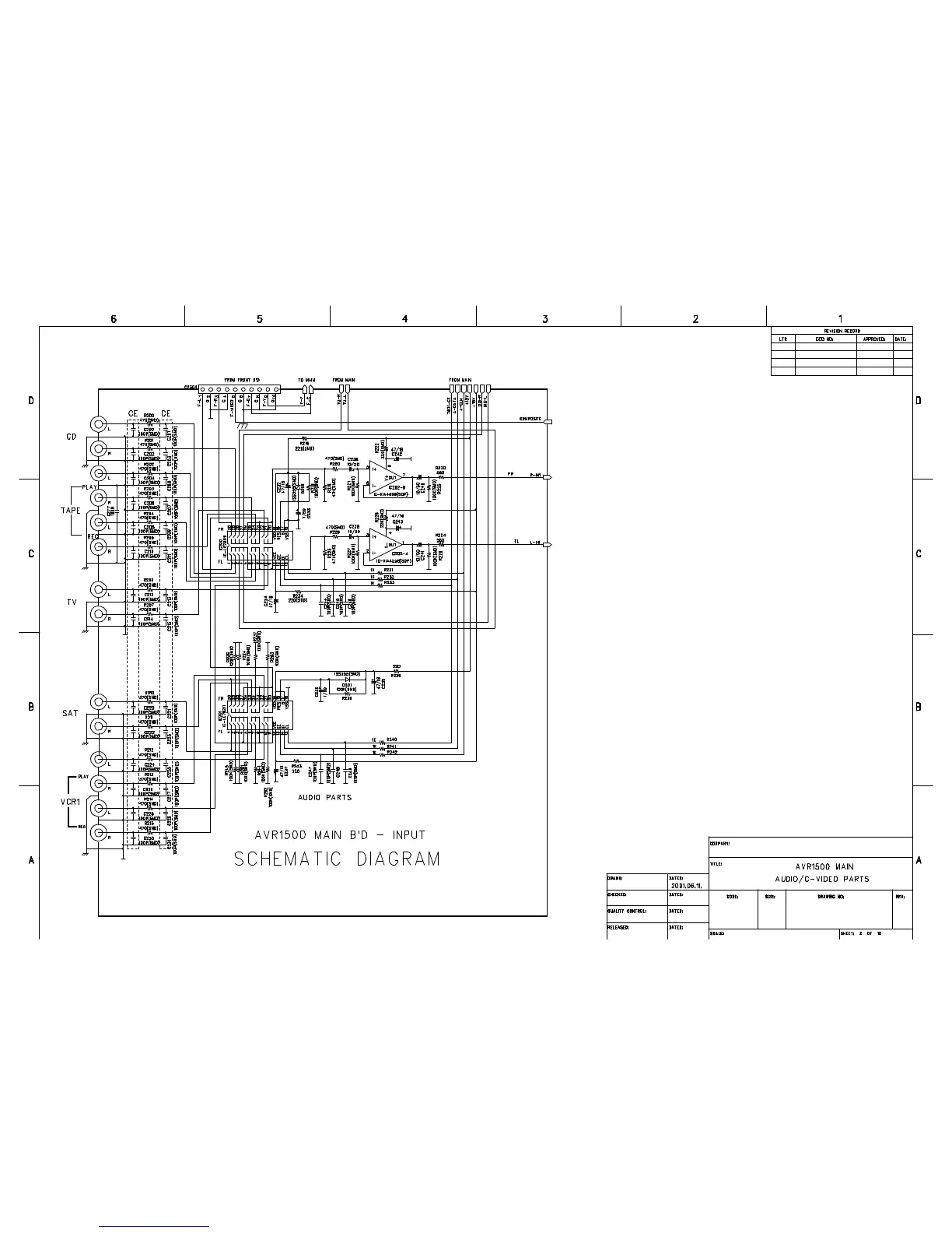
Harman Kardon AVR 1500 - Volume and Tone Control Schematics

Harman Kardon AVR 1500
74 pages
To Next Page IconTo Next Page
To Next Page IconTo Next Page
To Previous Page IconTo Previous Page
To Previous Page IconTo Previous Page
Loading...
AVR1500-main-1004.sch-3 - Tue Nov 13 13:52:49 2001

Related product manuals