EasyManua.ls Logo

Harman PB105 - Wiring Diagram; Power Failure Backup Supply

Harman PB105
52 pages
Print Icon
To Next Page IconTo Next Page
To Next Page IconTo Next Page
To Previous Page IconTo Previous Page
To Previous Page IconTo Previous Page
Loading...
46
3-90-07205R26_10/14
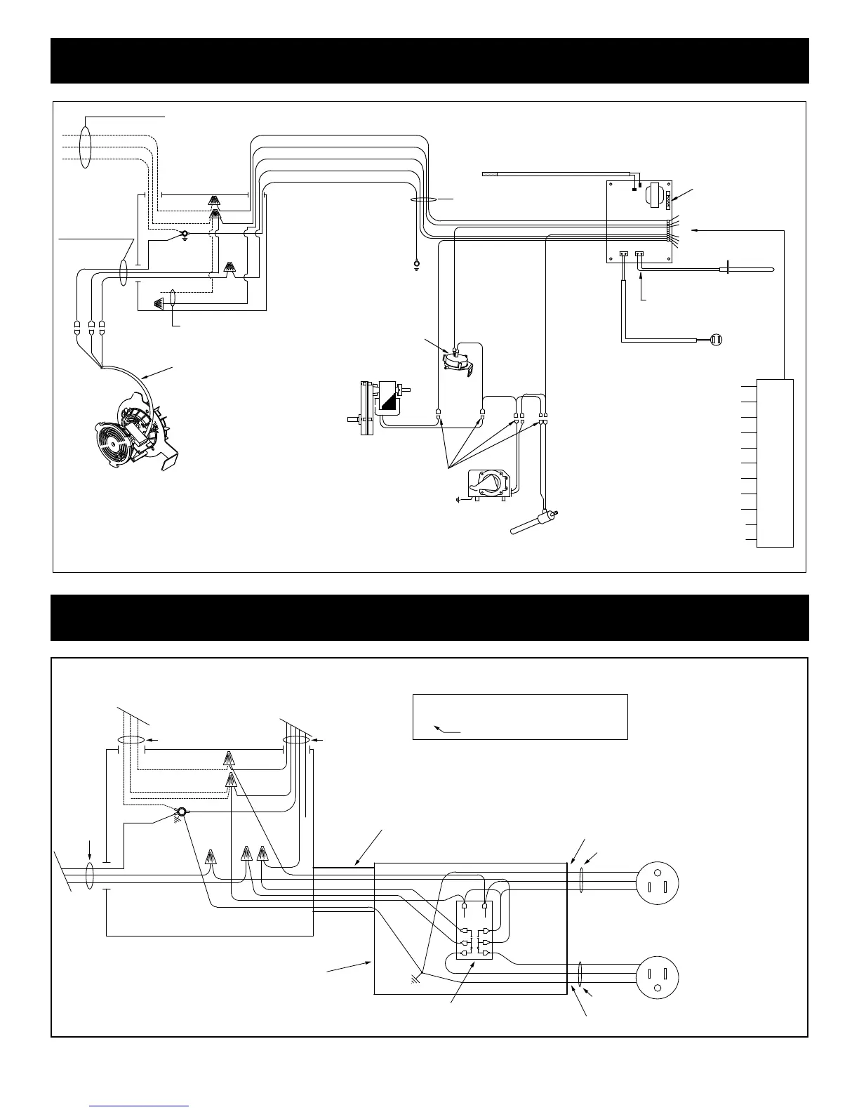
Wiring Diagram
GREEN/YELLOW
DARK BLUE
PELLET BOILER WIRING DIAGRAM
4" SQUARE JUNCTION BOX
BLACK
GREEN/YELLOW
WHITE
RED
RED
WHITE
GREEN
3/8"FLEX CONDUIT
BROWN
WHITE
WHITE
WHITE
RED
DARK BLUE
AUX. OUTPUT (OVERHEAT ZONE)
120 VAC 60 HZ
MAIN POWER
(SUPPLIED
BY OTHERS)
WHITE
GREEN
BLACK
RED
WHITE
BROWN
3/8"FLEX CONDUIT
EXHAUST PROBE
(ESP)
2
1
OUTDOOR AIR EXTENSION
4
3
6
5
10
9
11
8
PART NO. 3-90-72194A
7
WHITE
EMPTY
EMPTY
RED
BLACK
YELLOW
DK BLUE
EMPTY
GREEN/YELLOW WIRE
IS GROUND BONDED TO
STOVE BODY
CONTROL
BOARD
TCP
3
4
1
9
8
11
10
ESP
TWISTED WIRE
BROWN
PLUGGED
WHITE
WHITE 11 PIN PLUG
6 AMP GLASS FUSE
AQUA TEMP SENSOR
COMBUSTION MOTOR
PVC CORD MOTOR LEAD
IGNITER ELEMENT
120 VAC
450 WATT
IGNITER PUMP
MOTOR WIRE MALE/FEMALE CONNECTION
FEEDER MOTOR
LOW PRESSURE SWITCH
N.O. CONTACTS
YELLOW
SKY BLUE
BLACK
SKY BLUE
BLACK
WHITE
YELLOW
120 VOLTS A.C. 60 HZ.
1.7 AMPS ( normal operation )
5.3 AMPS ( ignition mode )
635 WATTS-
200 WATTS-
“105 Series” PELLET BOILER
WHITE
GREEN
Relay enclosure box - GRAINGER # 1EGH7
RED
RED
WHITE
GREEN
DPDT RELAY flange mtd. - GRAINGER #2XCO2
2
4
6
3
1
5
1/2" CONDUIT
8 7
16-3 AWG
PVC CORD
These cord tails can be made from an inexpensive 16/3
extension cord. Make sure that the MALE end is long
enough to reach the receptacle on the UPS.
CORD CONNECTOR
WHITE
BLACK
MALE
CORD CONNECTOR
16-3 AWG
PVC CORD
BLACK
WHITE
GREEN
FEMALE
RED
WHITE
GREEN/YELLOW
BLACK
3/8"FLEX CONDUIT to
combustion motor
RED
WHITE
WHITE
BROWN
4" SQUARE JUNCTION BOX
GREEN
WHITE
GREEN
BLACK
DARK BLUE
GREEN
WHITE
WHITE
3/8"FLEX CONDUIT
from control board
120 VAC power (by installer)
UPS BACKUP FOR COMBUSTION MOTOR
WHITE
RED
RED
If using a standard UPS, it should be rated at 650 or higher to
ensure that the combustion motor operates until the fire is out.
(approximately 20 minutes needed)
( UNINTERUPTED POWER SUPPLY / BATTERY BACK-UP )
POWER FROM THE UPS / This plugs into
the UPS. When power fails, UPS will supply
current to the relay.
POWER TO THE UPS / Plug UPS into here.
When current is present, will keep UPS in Ready
mode.
Power Failure Backup Supply

Related product manuals