EasyManua.ls Logo

Harman PB105 - Assembly

Harman PB105
52 pages
Print Icon
To Next Page IconTo Next Page
To Next Page IconTo Next Page
To Previous Page IconTo Previous Page
To Previous Page IconTo Previous Page
Loading...
9
3-90-07205R26_10/14
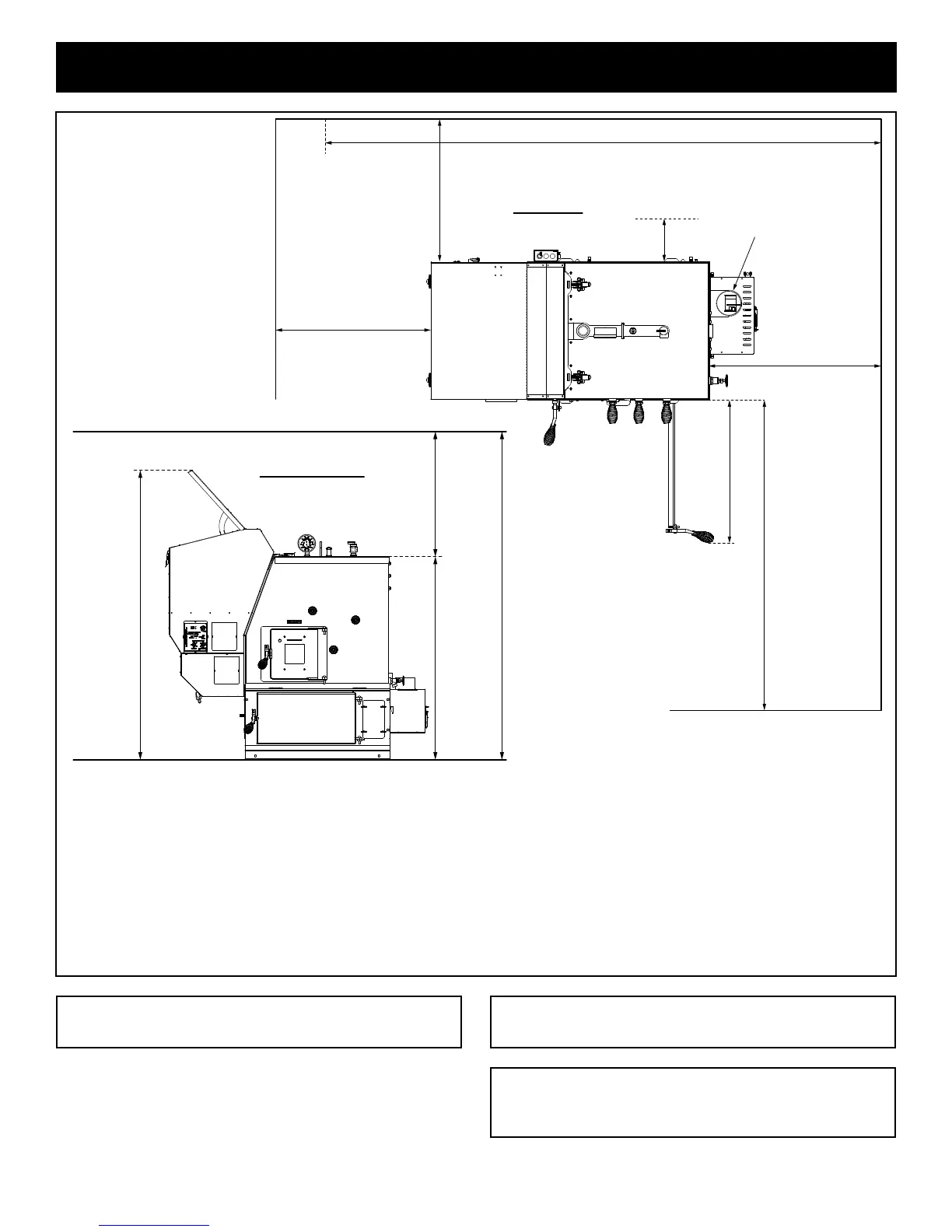
Assembly
INSTALLATION IS TO BE PERFORMED BY A
QUALIFIED INSTALLER.
NOTE: All installation clearances and restrictions
must be adhered to.
NOTE: Use only 4” diameter type “L” or “PL” venting
system. Be sure to inspect and clean exhaust venting
system frequently.
24.25”
*E
36”
*D
20”
*I
80”
*C
16.5”
*A
18”
*B
6”
TOP VIEW
*F
*G
22.5”
*5
66”
62”
43.5”
FRONT VIEW
Notes:
A. Manufacturerrecommendedminimumclearance.
B. MinimumclearancetocombustiblesBUTNOTRECOMMENDED!(SeeNoteC).
C.Mfr’srecommendationtoallowforfullopeningoffeederswingplate=16.5”
D.Minimumclearancetoallowservicingofcombustionblower=20”
E. Minimumclearancetocombustibles=36”
F. Pelletventclearancetocombustibles=1”
G.Stovetoptoceiling=22.5”
H.Minimumceilingheightoralcoveheight=66”
I. Maximumalcovedepth=80”

Related product manuals