EasyManua.ls Logo

Harvia Virta - Page 15

Harvia Virta
40 pages
Print Icon
To Next Page IconTo Next Page
To Next Page IconTo Next Page
To Previous Page IconTo Previous Page
To Previous Page IconTo Previous Page
Loading...
FI SV
15
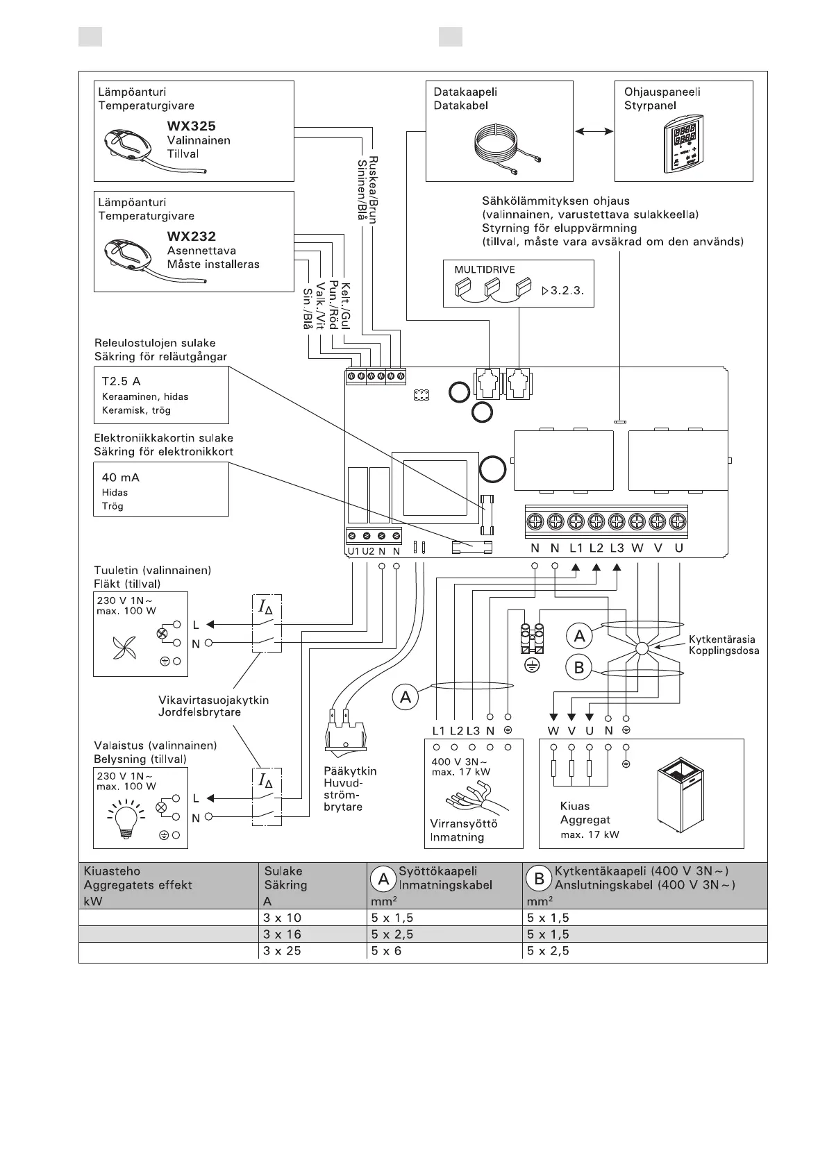
Kuva 11. CG170-ohjauskeskuksen ja HL-kiukaan sähkökytkennät
Bild 11. Elinstallationer av styrenhet CG170 och HL-aggregat
0–6,9
<7,0–11,0
<11,0–17,0

Table of Contents

Related product manuals