EasyManua.ls Logo

HAUSSLER ALPHA - Technical Documentation; ALPHA 1-Speed Circuit Diagram

Default Icon
40 pages
Print Icon
To Next Page IconTo Next Page
To Next Page IconTo Next Page
To Previous Page IconTo Previous Page
To Previous Page IconTo Previous Page
Loading...
24
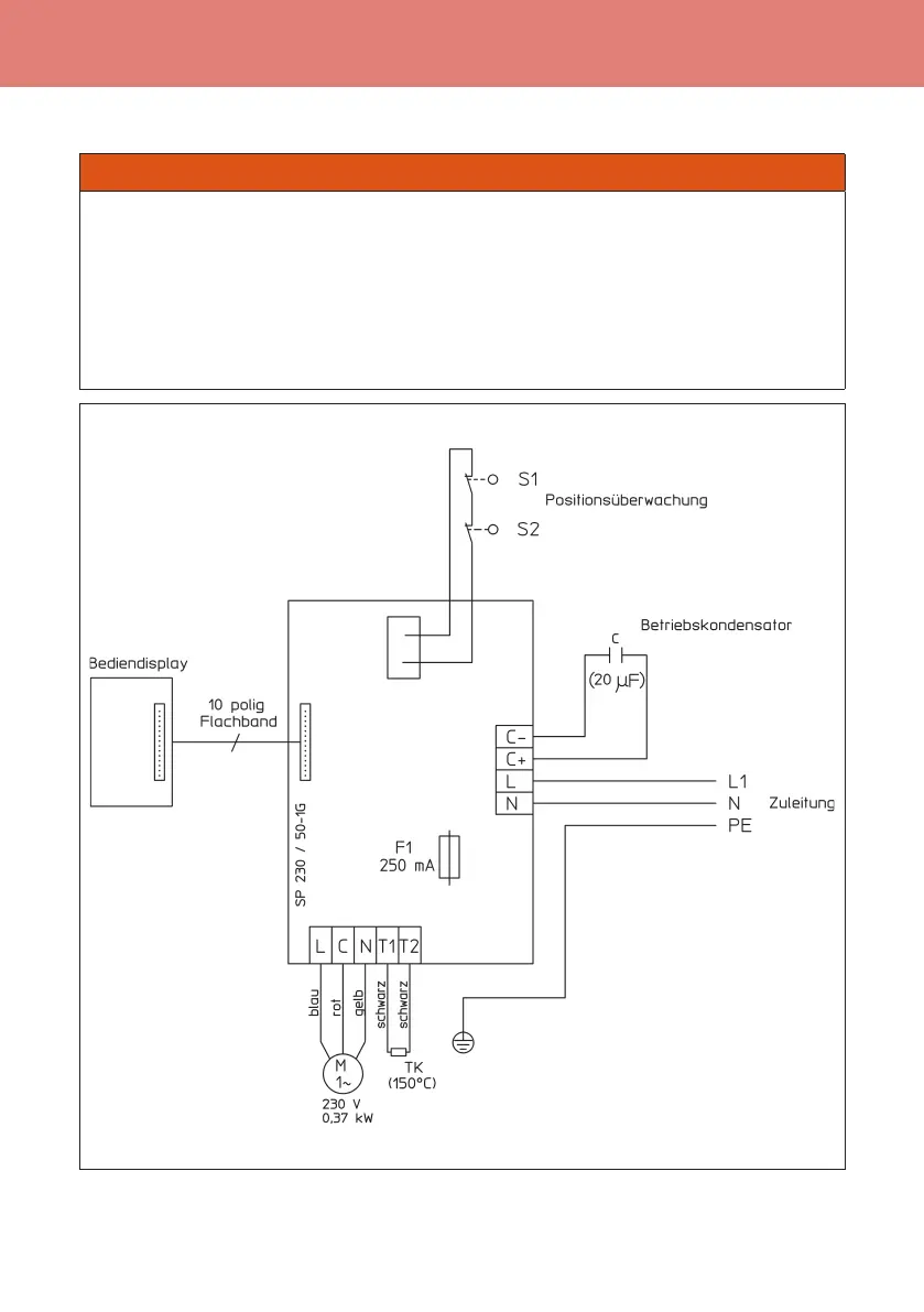
ALPHA circuit diagram (1-speed model)
WARNING
Danger to life from mains voltage 230 V / 50 Hz
Electric shock
Always disconnect the device from the power supply before commencing
repair work.
Never carry out work on the equipment electronics.
If you have problems with the electronics, consult a trained electrician.
Posion monitoring
Operang capacitor
Lead
blue
red
yellow
black
black
Operang display
10-pin ribbon
For specialist personnel: Circuit diagrams and parts lists

Related product manuals