EasyManua.ls Logo

Havener Enterprises e40 - Illustrated Parts List

Havener Enterprises e40
23 pages
Print Icon
To Next Page IconTo Next Page
To Next Page IconTo Next Page
To Previous Page IconTo Previous Page
To Previous Page IconTo Previous Page
Loading...
16
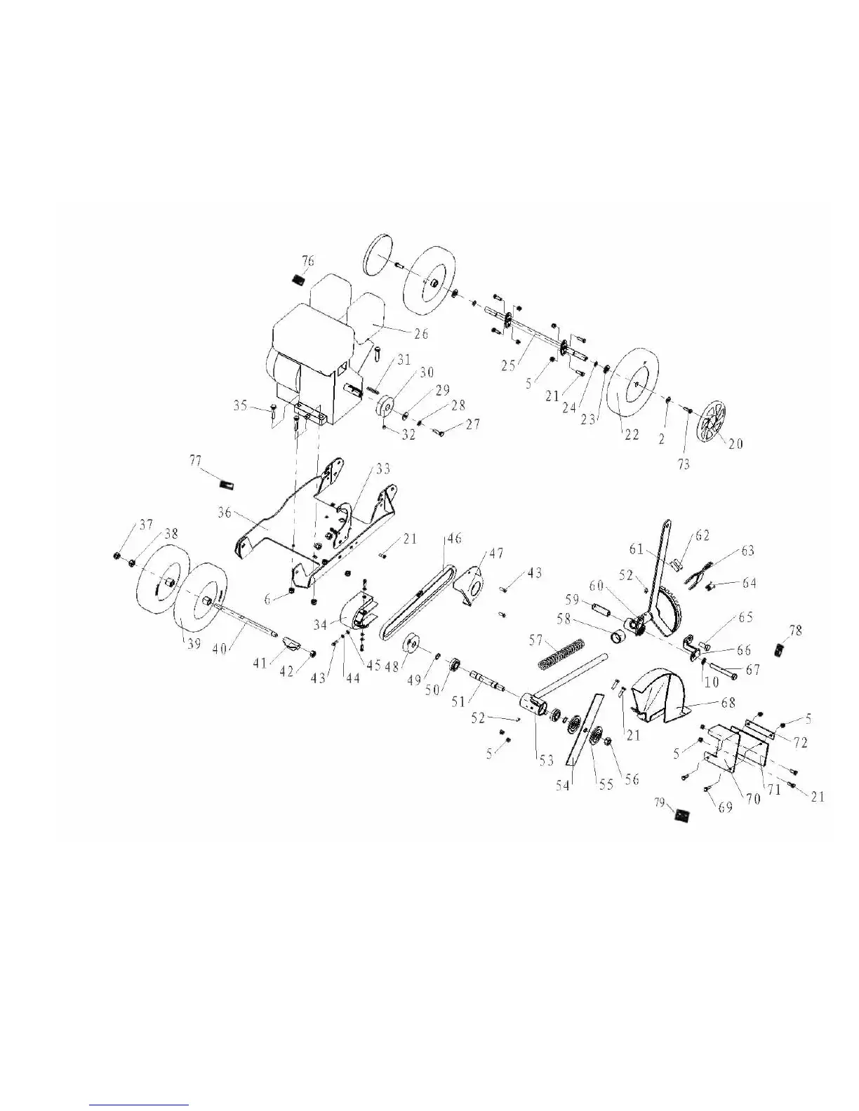
Edger Illustrated Parts List
Frame Assembly