EasyManua.ls Logo

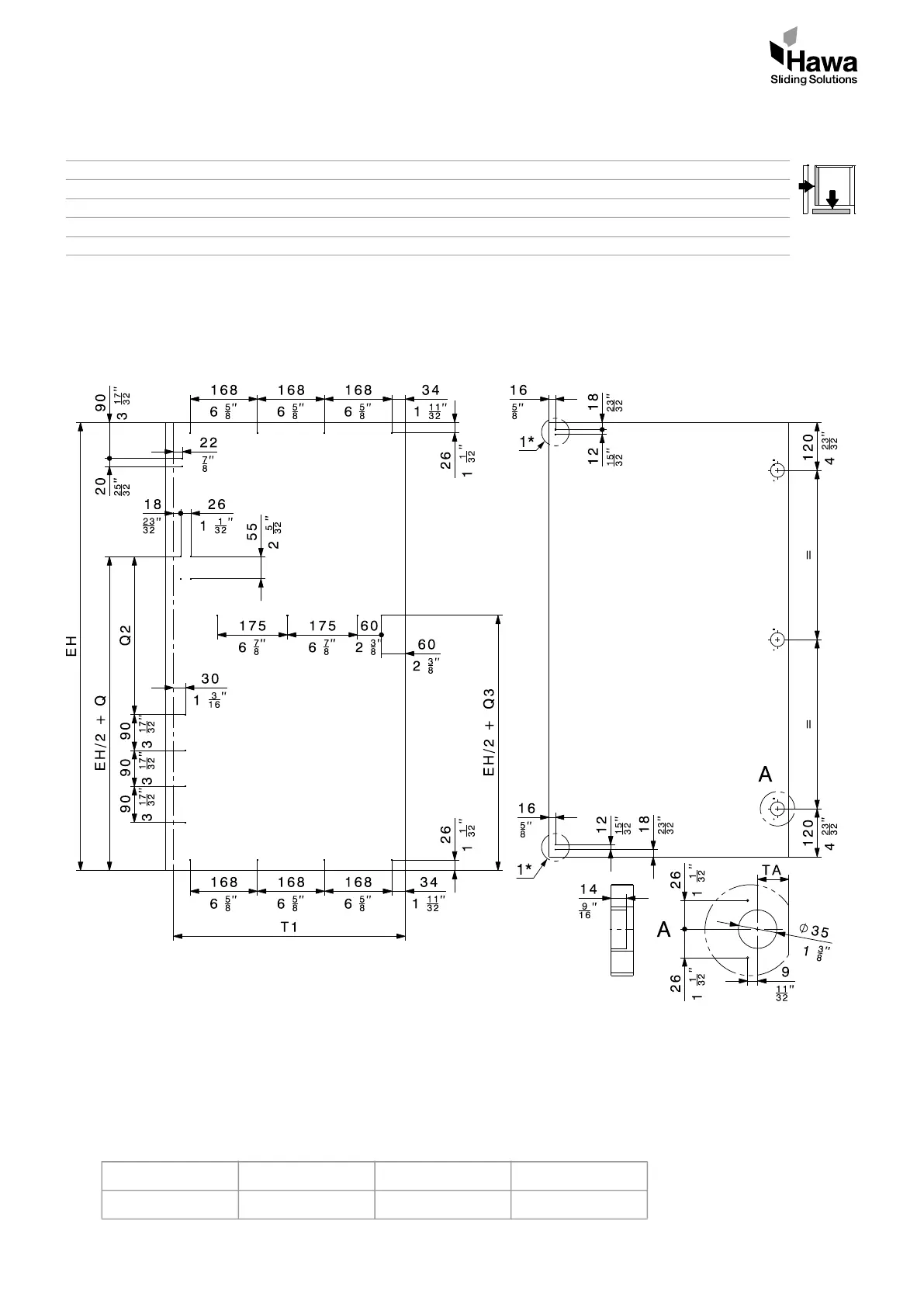
hawa Concepta 25 - Drill Hole Positions (HAWA Concepta 30)

hawa Concepta 25
64 pages
Print Icon
To Next Page IconTo Next Page
To Next Page IconTo Next Page
To Previous Page IconTo Previous Page
To Previous Page IconTo Previous Page
Loading...
30/64
Hawa Concepta 25/30
7.5
DE Berechnung: Bohrpositionen HAWA Concepta 30
FR Calcul de : Positions des perçages HAWA Concepta 30
EN Calculation: Drill hole positions HAWA Concepta 30
IT Calcolo: Posizioni di foratura HAWA Concepta 30
ES lculo: Posición de los taladros HAWA Concepta 30
DE
EN
ES
Beschlagsmontageseite / FR Côte de montage de la ferrure
Hardware installation side / IT Lato di montaggio ferramenta
Lateral de montaje del herraje
DE Türe / FR Porte
EN Door / IT Anta
ES Puerta
1* DE
FR
EN
IT
ES
Bohrungen nur in Kombination mit HAWA Folding Concepta, 3-türig, LMB = 2120 mm
Perçages uniquement en combinaison avec le système HAWA Folding Concepta pour 3 portes, LMB = 2120 mm
Drill holes only in combination with HAWA Folding Concepta, 3-door, clearance = 2120 mm (6’11 ")l
Forature solo in combinazione con HAWA Folding Concepta, a tre ante, LMB = 2120 mm
Taladros solo en combinación con HAWA Folding Concepta para 3 puertas con ancho interior = 2120 mm
Q Q2 Q3
HAWA-Concepta 30 675 mm (2'2 ") 1155 mm (3'9 ") 90 mm (3 ")
15
32
-----
9
16
-----
15
32
-----
17
32
-----