EasyManua.ls Logo

Hayward HP65CLEE - Page 53

Hayward HP65CLEE
62 pages
Print Icon
To Next Page IconTo Next Page
To Next Page IconTo Next Page
To Previous Page IconTo Previous Page
To Previous Page IconTo Previous Page
Loading...
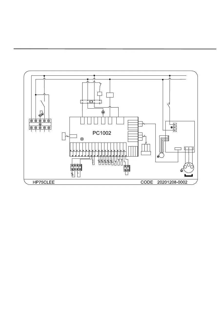
6.2 Schéma de câblage :
6. ANNEXE
CN9
485B1
GND
3
RLY1
OUT2
OUT3
AC-N1
OUT4
OUT5
485A1
12V
CN2
485A2
12V
CN8
485B2
GND
L
L2
$ % *1' 9
YEL
RED
BLK
COMP
U
W
V
L1
L2
L1
L2
L2
EEV
5
4V
L2
L2
4V
1
3
24
5
6
7
8
01
K2
L2
L2L2
L2
FM
YEL
BLK
WHT
RED
CON2
K2
L2
K2
L1
4
L1
TO POWER
SUPPLY
208-230V~/60Hz
L1 L2
1
2
P
L2
L1
L2
BLK WHT
TO PUMP
240V
L2
U
V
W
L1
L1
L1
L1
L1
L22
L1
L
HP12
L2
L2
Y/G
K2
Y/G
Y/G
4
RED
BLK
WHT
AT˖Ambient temperature
COMP˖Compressor
CT˖Coil temperature
FM˖Fan motor
IT˖Inlet water temperature
LP˖Low pressure protection
OT˖Outlet water temperature
FS˖Flow switch
HP11˖High pressure protection(4.0MPa)
SUT˖Suction temperature
EEV˖Electronic expand valve
ET˖Exhaust temperature
4V˖4 way valve
KM1˖Contactor of high pressure
K2˖Relay of pump
HP12˖High pressure protection(4.4MPa)
EP˖Exhaust protection
˖
ET
ET
t
50K
EP
ET
EP
EP

3
6
FS
FS
FS
LP
LP
HP11
HP11
LP
HP11
SUT
SUT
SUT
IT
IT
IT
OT
OT
OT
CT
CT
CT
AT
AT
AT
Remote
ON/OFF
+12V
+5V
0~10V-OUT
PWM-OUT
AI12
AI/DI11
AI/DI10
AI/DI09
PWM-IN
AI/DI08
AI/DI07
AI/DI06
AI/DI05
AI/DI04
AI/DI03
AI/DI02
AI/DI01
0~5V-IN
GND
GND
GND
GND
GND
GND
GND
GND
GND
GND
GND
GND
GND
GND
GND
GND
GND
GND
t
5K
t
5K
t
5K
t
5K
t
5K
GND
485A3
12V
485B3
CN13
6.8K
3
6
Y/G
KM1
KM1
1
2
YEL 485B-
BLK GND
RED 12V
WHT 485A+
Controller
19

Related product manuals