EasyManua.ls Logo

Hayward SwimPure Plus - SwimPure Plus Installation; Pool and Spa Water Preparation; Control Unit Mounting Instructions

Hayward SwimPure Plus
20 pages
Print Icon
To Next Page IconTo Next Page
To Next Page IconTo Next Page
To Previous Page IconTo Previous Page
To Previous Page IconTo Previous Page
Loading...
5 10
INSTALLATION
Installation must be performed in accordance with Local and NEC codes.
Preparing Pool/Spa Water
Refer to page 1 for recommended chemical levels. The pool's chemistry must be bal-
anced BEFORE activating the SwimPure Plus. NOTE: If the pool does not have new
water, add 1 quart (1 liter) of metal remover and 1 quart (1 liter) of non-copper based
algaecide to the pool, per manufacturer's instructions. This ensures a quick, troublefree
transfer to the SwimPure Plus system.
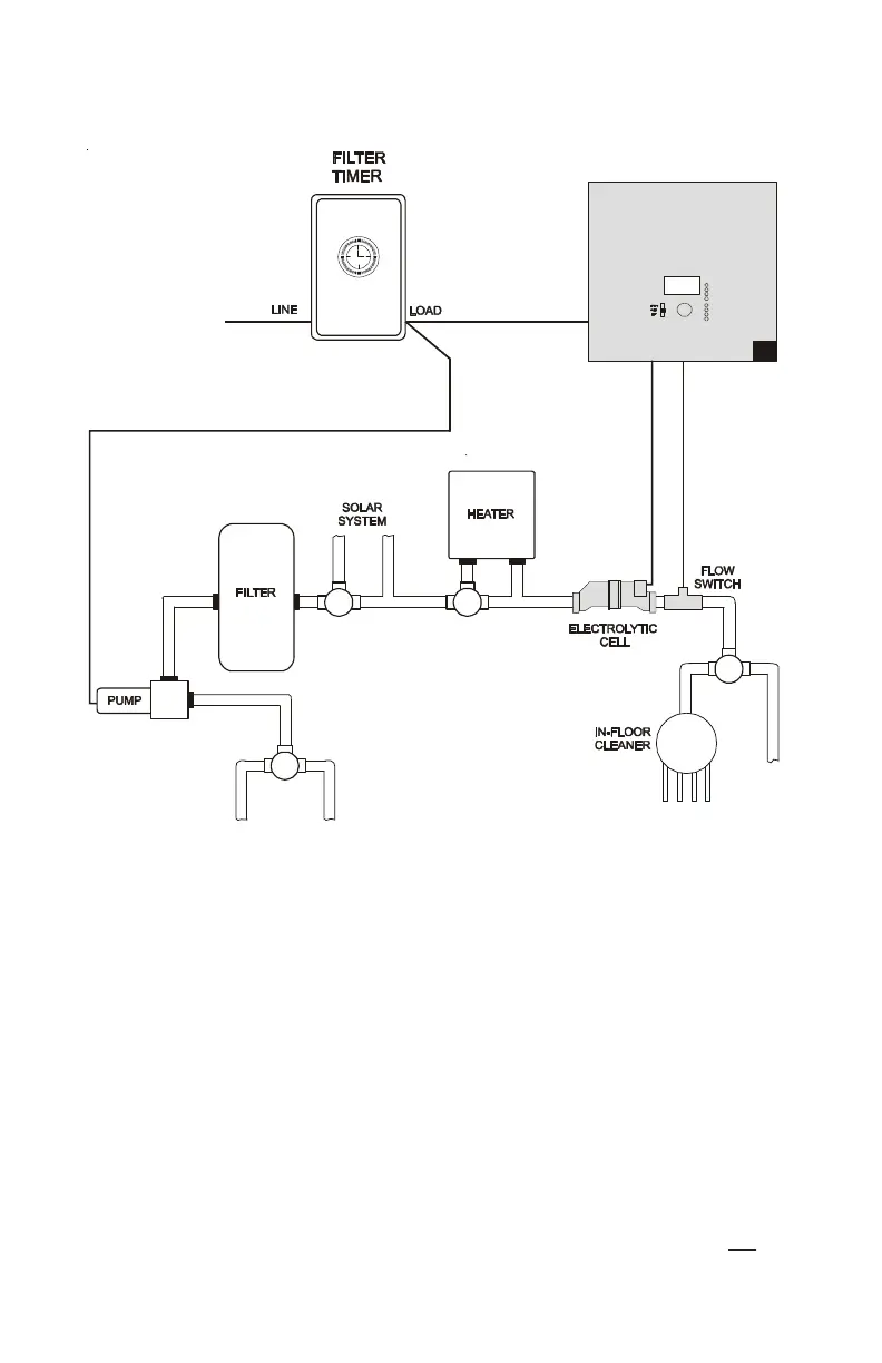
Mounting the SwimPure Plus Control
The SwimPure Plus is contained in a raintight enclosure that is suitable for outdoor
mounting. The control must be mounted a minimum of 5 ft. (2 meters) horizontal dis-
tance (or more, if local codes require) from the pool/spa.
The control is designed to mount vertically on a flat surface with the knockouts facing
downward. Because the enclosure also acts as a heat sink (disperses heat from inside
the box), it is important not to block the four sides of the control. Do not mount
SwimPure Plus inside a panel or tight enclosed area.
FROM
POOL
120/240 VAC
POWER
TO
POOL
FROM
SPA
TO
SPA
SwimPure Plus
POUNDS and (Kg) OF STABILIZER (CYANURIC ACID) NEEDED FOR 80 PPM
Gallons and (Liters) of Pool/Spa water
Current
Stabilizer
Level (ppm)
0 ppm
20 ppm
60 ppm
30 ppm
40 ppm
50 ppm
70 ppm
80 ppm
10 ppm
12,000
(45000)
8,000
(30000)
14,000
(52500)
10,000
(37500)
16,000
(60000)
18,000
(67500)
20,000
(75000)
22,000
(82500)
32,000
(120000)
24,000
(90000)
34,000
(127500)
26,000
(97500)
36,000
(135000)
28,000
(105000)
38,000
(142500)
30,000
(112500)
40,000
(150000)
8.0
(3.6)
5.3
(3.6)
8.0
(3.6)
8.0
(3.6)
9.4
(4.3)
6.7
(4.3)
9.4
(4.3)
10.7
(4.9)
12.0
(5.4)
12.0
(5.4)
13.4
(6.1)
14.7
(6.7)
21.3
(9.7)
16.0
(7.3)
22.7
(10.3)
18.7
(8.5)
25.3
(11.5)
20.0
(9.1)
26.7
(12.0)
7.0
)
(3.2
4.7
(3.2)
8.2
(3.7)
5.8
(3.7)
10.5
(4.8)
11.7
(5.3)
12.9
(5.9)
18.7
(8.5)
14.0
(6.4)
19.8
(9.0)
15.2
(6.9)
21.0
(9.5)
16.4
(7.4)
22.2
(10.0)
17.2
(8.0)
23.3
(10.5)
6.0
(2.7)
4.0
(2.7)
6.0
(2.7)
6.0
(2.7)
8.5
(3.9)
7.0
(3.2)
9.0
(2.2)
10.0
(4.5)
10.0
(4.5)
14.2
(6.3)
11.0
(5.0)
16.0
(7.2)
13.0
(5.9)
18.0
(8.1)
14.0
(6.4)
19.0
(8.6)
15.0
(6.8)
20.0
(9.0)
5.0
(2.3)
3.3
(2.3)
5.0
(2.3)
5.9
(2.7)
4.2
(2.7)
6.7
(3.0)
8.4
(3.8)
6.7
(3.0)
7.5
(3.4)
9.2
(4.2)
13.3
(6.0)
10.8
(4.9)
15.0
(6.7)
11.7
(5.2)
15.8
(7.1)
12.5
(5.6)
16.7
(7.5)
4.0
(1.8)
2.7
(1.8)
4.0
(1.8)
4.0
(1.8)
5.7
(2.6)
4.7
(2.1)
3.3
(2.1)
5.4
(2.4)
7.4
(3.3)
10.7
(4.8)
8.7
(3.9)
12.0
(5.4)
9.3
(4.2)
12.7
(5.7)
10.0
(4.5)
13.3
(6.0)
3.0
(1.4)
2.0
(1.4)
3.0
(1.4)
3.5
(1.6)
2.5
(1.6)
4.5
(2.0)
5.5
(2.5)
8.0
(3.6)
6.5
(2.9)
9.0
(4.1)
7.0
(3.2)
9.5
(4.3)
7.5
(3.4)
10.0
(4.5)
2.0
(.91)
1.3
(.91)
2.0
(.91)
2.8
(1.3)
2.3
(1.1)
1.7
(1.1)
2.7
(1.2)
3.3
(1.5)
3.7
(1.7)
5.3
(2.4)
4.3
(2.0)
4.7
(2.1)
6.3
(2.8)
5.0
(2.3)
6.7
(3.0)
1.0
(.45)
0.7
(.45)
1.2
(.54)
0.8
(.54)
1.4
(.64)
1.5
(.68)
1.7
(.77)
1.8
(.82)
2.7
(1.2)
2.2
(1.0)
3.0
(1.3)
2.3
(1.1)
3.2
(1.4)
2.5
(1.2)
3.3
(1.5)
0.00.0 0.00.0 0.0 0.0 0.0 0.0
0.00.0 0.00.0 0.00.0 0.00.0 0.0

Related product manuals