EasyManua.ls Logo

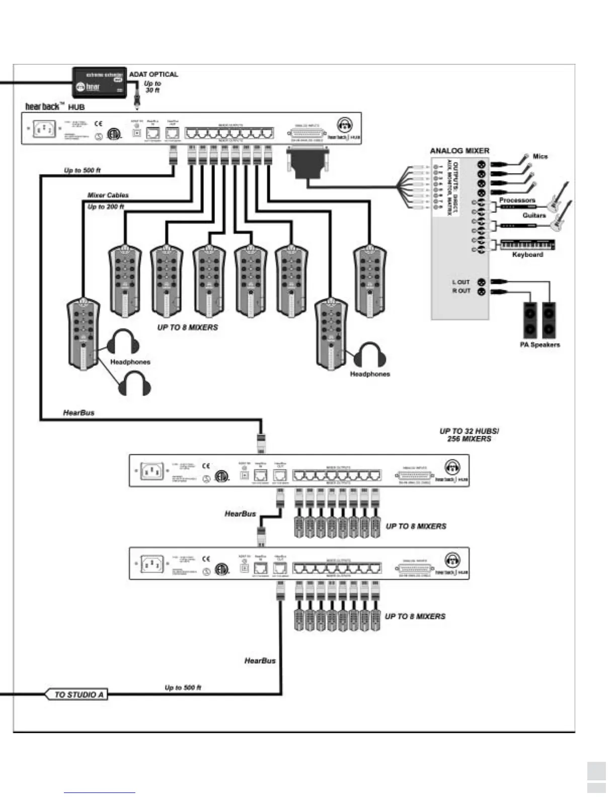
Hear Technologies hear back - Hook-up Diagrams; Studio B Hook-up Diagram

Hear Technologies hear back
20 pages
Print Icon
To Next Page IconTo Next Page
To Next Page IconTo Next Page
To Previous Page IconTo Previous Page
To Previous Page IconTo Previous Page
Loading...
HOOK-UP DIAGRAM STUDIO A HOOK-UP DIAGRAM STUDIO B
1110

Related product manuals