EasyManua.ls Logo

Hear Technologies hear back - System Block Diagrams; Mixer and Hub Block Diagrams

Hear Technologies hear back
20 pages
Print Icon
To Next Page IconTo Next Page
To Next Page IconTo Next Page
To Previous Page IconTo Previous Page
To Previous Page IconTo Previous Page
Loading...
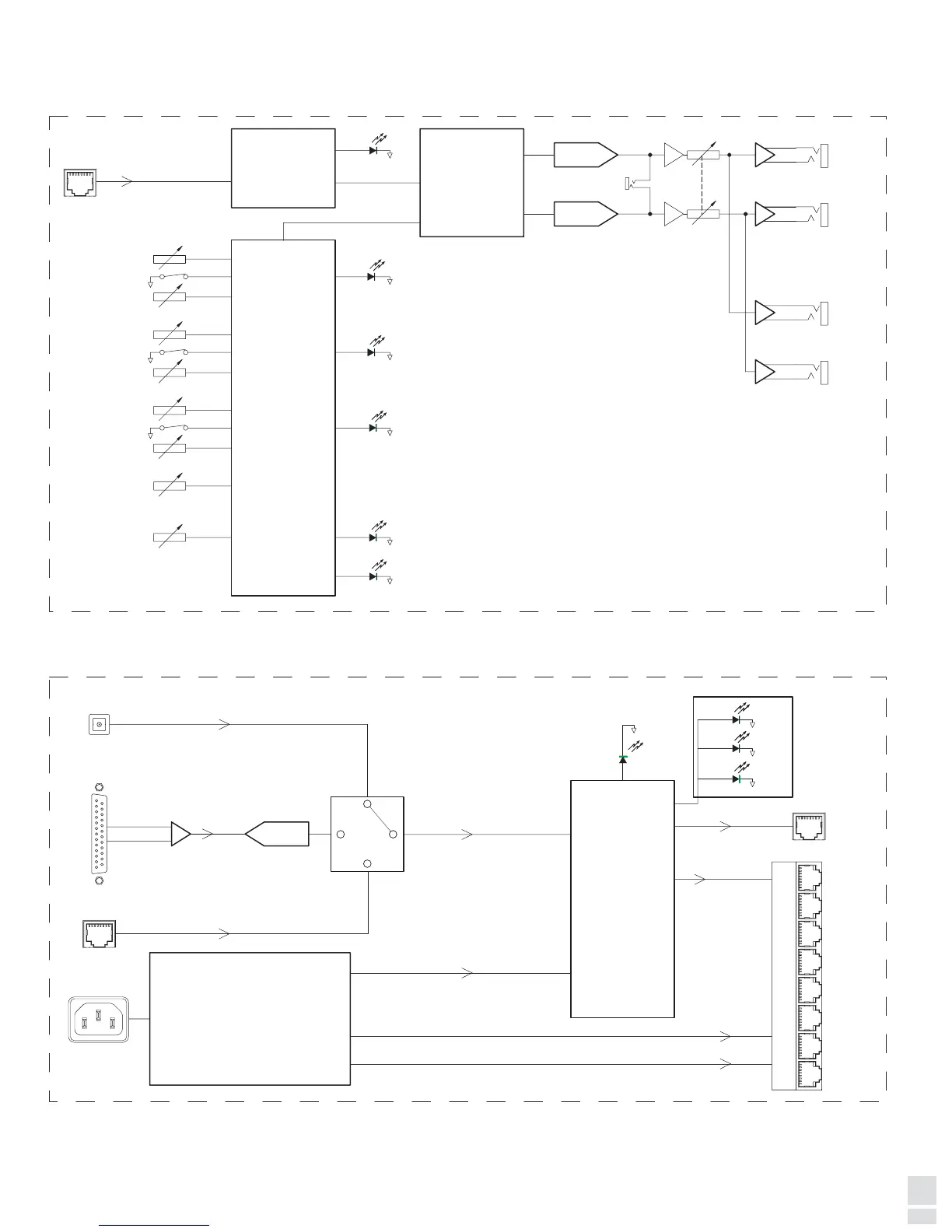
SYSTEM BLOCK DIAGRAM
uCONTROLLER
HearBus
MONO/LEFT
LINE OUT
24 BIT D/A
CONVERTER
RCVR
DSP
24 BIT D/A
CONVERTER
RIGHT LINE
OUT
MONO 3 - L
MONO 4 - R
LINK 3 - 4
LINK 5 - 6
MONO 6 - R
MONO 5 - L
LINK 7 - 8
MONO 8 - R
MONO 7 - L
LIMITER
THRESHOLD
LINK 3 - 4
LINK 5 - 6
LINK 7 - 8
LIMIT
STEREO
MASTER VOLUME
HP FAULT
BUS
HEADPHONE
OUT 2
HEADPHONE
OUT 1
STEREO
AUX IN
+ 16dB
CLIP
-32
-10 .. +4
ADAT OPTICAL
-18VDC
+18VDC
+5VDC
UNIVERSAL
POWER SUPPLY
24 BIT A/D
CONVERTER
HearBus
ANALOG
DIGITAL CIRCUITRY
INPUT
SELECT
CLOCK
EIGHT MIXER OUTPUTS
MIXER OUTPUTS
HearBus
Input Merering (x8)
SHORT CIRCUIT PROTECTION
HEAR BACK MIXER
HEAR BACK HUB
PATENT
PENDING
MIXER INPUT
AC POWER IN
ADAT IN
ANALOG INPUTS
HearBus IN
HearBus OUT
LINK MASTER/
LINK MASTER/
LINK MASTER/
HOOK-UP DIAGRAM RECORDING STUDIO
0714

Related product manuals