EasyManua.ls Logo

Hekatron FSZ Basis - Page 26

Hekatron FSZ Basis
40 pages
Print Icon
To Next Page IconTo Next Page
To Next Page IconTo Next Page
To Previous Page IconTo Previous Page
To Previous Page IconTo Previous Page
Loading...
26
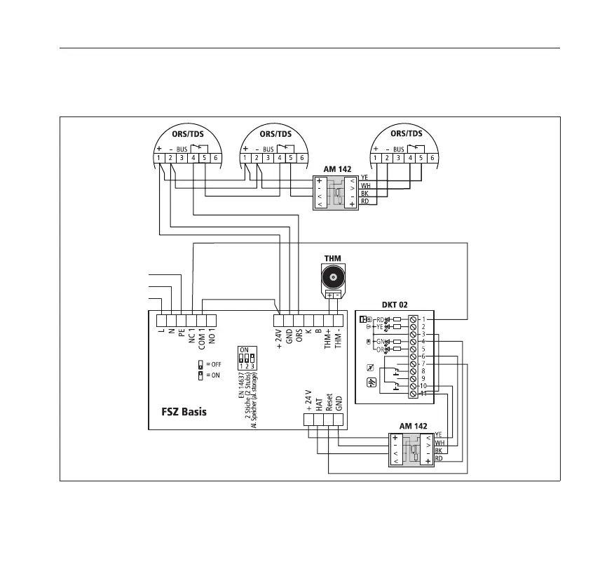
9 Electrical installation
9.6.7 Connection with line surveillance (DIP 1 ON) and DKT 02
The system is operated with three smoke switches and an external DKT 02.
Fig. 11: Example connection with line surveillance and DTK 02