EasyManua.ls Logo

HELI CPD20 - Page 28

Default Icon
90 pages
Print Icon
To Next Page IconTo Next Page
To Next Page IconTo Next Page
To Previous Page IconTo Previous Page
To Previous Page IconTo Previous Page
Loading...
26
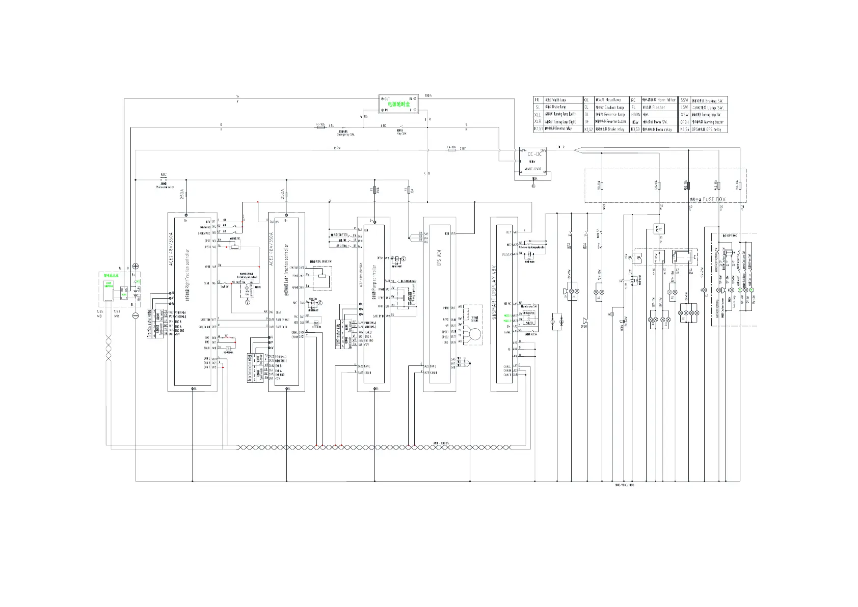
Figure 4-1 Electric system principle diagramCPD15SQ20SQ -GB2Li
1M1 2 M1
μ ?? ú · è

Related product manuals