EasyManua.ls Logo

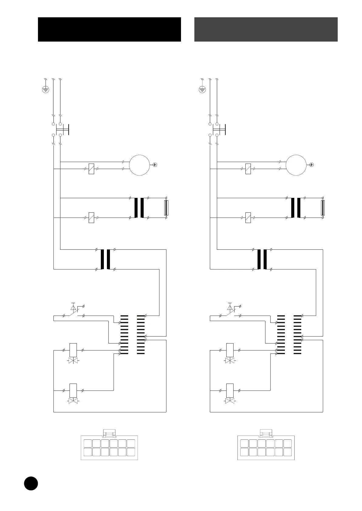
Henkelman Jumbo Mini - Electrical Diagrams; Mainswitch, Motor vacuum pump, Relais on PCB; Seal transformer, Sealing beam, Control transformer; Microswitch, 3;2 way valve, 2;2 way valve

Henkelman Jumbo Mini
48 pages
Print Icon
To Next Page IconTo Next Page
To Next Page IconTo Next Page
To Previous Page IconTo Previous Page
To Previous Page IconTo Previous Page
Loading...
Elektrisch schema
Mini Jumbo & Jumbo Plus
Electrical diagram
Mini Jumbo & Jumbo Plus
<Handboek 1>NL EN
4040
11 1110 109 98 8
5 52 2
7 7
1 16 6
12 12
Hoofdschakelaar
Mainswitch
Relais op print Relais on PCB
2a 2a
2 2
1a 1a
1 1
M M
PE PE
00
~~
Sealtrafo Seal transformer
Stuurtrafo Control transformer
220/380 220/380
220/380 220/380
0 0
0 0
18 18
24 24
0 0
0 0
Relais op print Relais on PCB
Motor vacuümpomp Motor vacuum pump
Sealbalk Sealing beam
1 1
2 2
3 3
4 4
5 5
6 6
7 7
8 8
9 9
10 10
11 11
12 12
Blauw Blue
Bruin Brown
Blauw Blue
Blauw BlueBlauw Blue
Bruin Brown
Bruin BrownBruin Brown
Bruin Brown
Rood Red
Microschakelaar
Groen Green
Grijs Grey
Wit White
Rose Pink
Geel Yellow
Connector op PCB Connector on PCB
Microswitch
3/2 weg ventiel
(seal)
3/2 way valvel
(seal)
2/2 weg ventiel
(beluchting)
2/2 way valve
(de-vac)
01 / 01 /2000

Table of Contents

Related product manuals