EasyManua.ls Logo

Henkelman Jumbo Mini - Pneumatic Diagram; Vacuum chamber, Cylinder, Valves, Vacuum gauge, Vacuum pump, Check valve

Henkelman Jumbo Mini
48 pages
Print Icon
To Next Page IconTo Next Page
To Next Page IconTo Next Page
To Previous Page IconTo Previous Page
To Previous Page IconTo Previous Page
Loading...
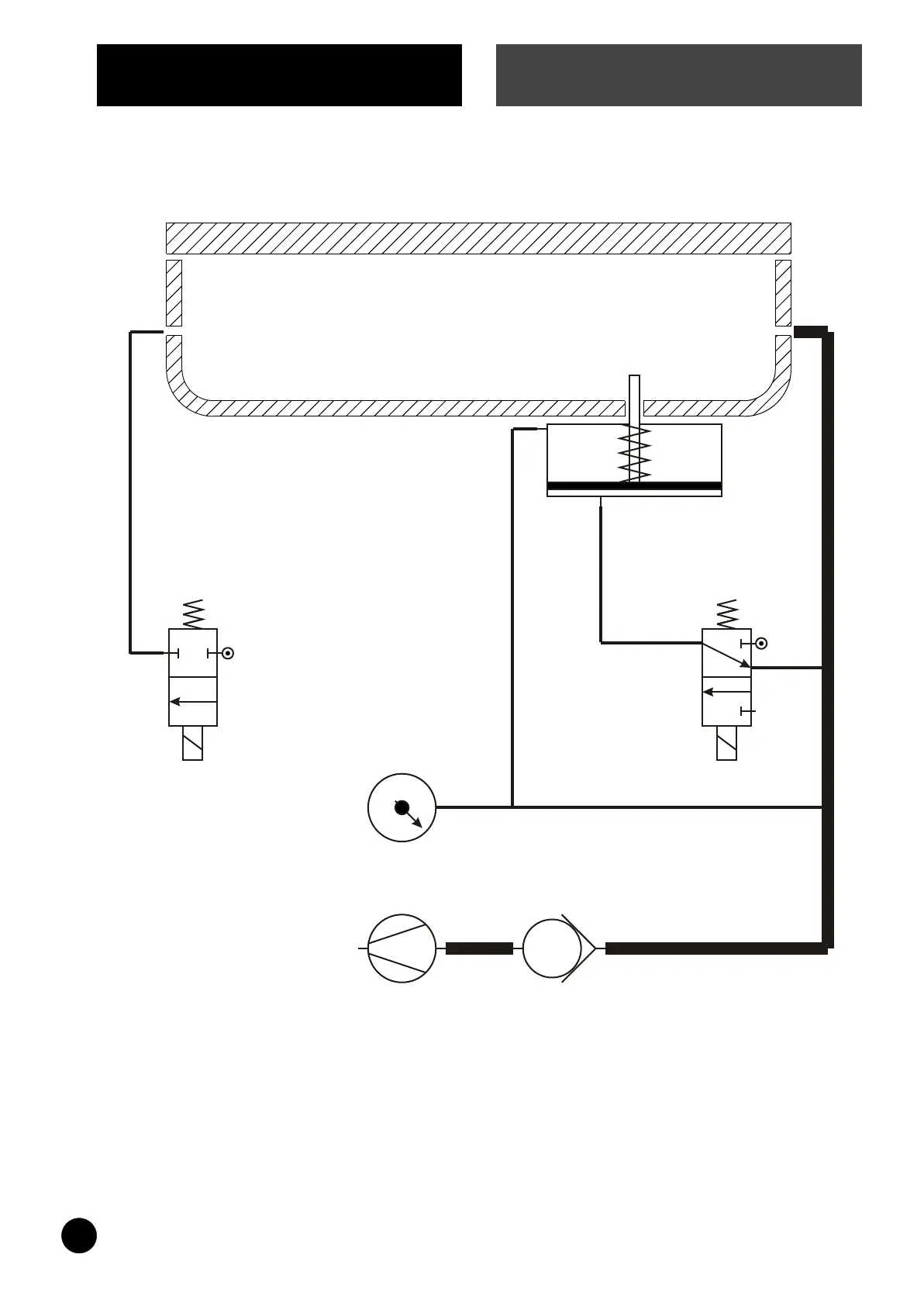
Pneumatisch schema
Mini Jumbo & Jumbo Plus
Pneumatic diagram
Mini Jumbo & Jumbo Plus
<Handboek 1>NL EN
4444
2/2 weg ventiel (beluchting)
2/2 way valve (de-vac)
3/2 weg ventiel (seal)
3/2 way valve (seal)
Vacuümmeter
Vacuum gauge
Vacuümpomp
Vacuum pump
Terugslagklep
Check valve
Cylinder (seal)
Cylinder (seal)
Vacuümkamer / deksel
Vacuum chamber / lid
01 / 01 /2000

Table of Contents

Related product manuals