EasyManua.ls Logo

Henkelman Jumbo Mini - Pneumatisches Diagramm Mini Jumbo & Jumbo Plus; Schéma Pneumatique Mini Jumbo & Jumbo Plus

Henkelman Jumbo Mini
48 pages
Print Icon
To Next Page IconTo Next Page
To Next Page IconTo Next Page
To Previous Page IconTo Previous Page
To Previous Page IconTo Previous Page
Loading...
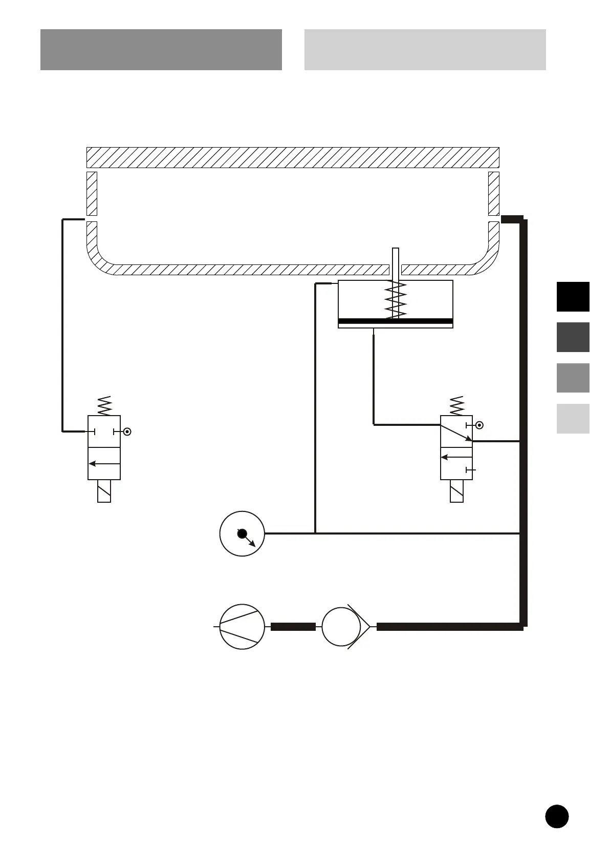
2/2 Wege-Ventil (Belüftung)
2/2 voies valve (remise d’air)
3/2 Wege-Ventil (Schweißung)
3/2 voies valve (soudure)
Vakuummesser
Vacuomètre
Vakuumpumpe
Pompe à vide
Rückschlagventil
Clapet antiretour
Zylinder (Schweißung)
Cylindre (soudure)
Vakuumkammer / Deckel
Chambre à vide / couvercle
Pneumatisches Diagramm
Mini Jumbo & Jumbo Plus
Schéma pneumatique
Mini Jumbo & Jumbo Plus
<Handboek 1>DU FR
55
<Handboek 1>DU FR
4545
01 / 01 /2000

Table of Contents

Related product manuals