EasyManua.ls Logo

Hiltron security PROTEC4GSM - Page 8

Hiltron security PROTEC4GSM
64 pages
Print Icon
To Next Page IconTo Next Page
To Next Page IconTo Next Page
To Previous Page IconTo Previous Page
To Previous Page IconTo Previous Page
Loading...
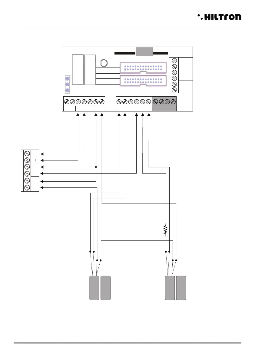
2.4.3 Connections of sirens2.4.2 Connecting volumetric detectors and contacts
Installation
security
PROTEC4GSM - PROTEC8GSM - Installation guide and use
security
98
TAMPER
+
OUT
Detector
Resistor
3300ohm
Z3 Logic
JX1
JX2
JX1
JX2
JX1
JX2
-
JX1x1 JX1x2
JX1x3 JX1x4
JX1x5 JX1x6
JX1x7 JX1x8
JX1x9
JX1x10
JX1x11 JX1x12
JX1x13 JX1x14
JX1x15 JX1x16
JX1x17 JX1x18
JX1x19 JX1x20
JX1x21 JX1x22
JX1x23 JX1x24
JX1x25 JX1x26
JX1x27 JX1x28
JX1x29 JX1x30
JX2x1 JX2x2
JX2x3 JX2x4
JX2x5 JX2x6
JX2x7 JX2x8
JX2x9
JX2x10
JX2x11 JX2x12
JX2x13 JX2x14
JX2x15 JX2x16
JX2x17 JX2x18
JX2x19 JX2x20
JX2x21 JX2x22
JX2x23 JX2x24
JX2x25 JX2x26
JX2x27 JX2x28
JX2x29 JX2x30
SIR +12v
Manutenzione
Centrale
SIR
GND
S.A
V
R
KEY
A
B
-12V+
+INT GND 24H GND Z1 Z2 Z3 Z4
1
2
CX1
GND
Z8
Z5 Z6 Z7
Long
wires
Magnetic
contact
Z1 Delayed logic
Z6 Balanced
Magnetic
contact
Long
wires
Short
wires 24
Short
wires 24
TAMPER
+
12V
TAMPER
+
12V
JX1
JX2
JX1
JX2
JX1
JX2
-
JX1x1 JX1x2
JX1x3 JX1x4
JX1x5 JX1x6
JX1x7 JX1x8
JX1x9
JX1x10
JX1x11 JX1x12
JX1x13 JX1x14
JX1x15 JX1x16
JX1x17 JX1x18
JX1x19 JX1x20
JX1x21 JX1x22
JX1x23 JX1x24
JX1x25 JX1x26
JX1x27 JX1x28
JX1x29 JX1x30
JX2x1 JX2x2
JX2x3 JX2x4
JX2x5 JX2x6
JX2x7 JX2x8
JX2x9
JX2x10
JX2x11 JX2x12
JX2x13 JX2x14
JX2x15 JX2x16
JX2x17 JX2x18
JX2x19 JX2x20
JX2x21 JX2x22
JX2x23 JX2x24
JX2x25 JX2x26
JX2x27 JX2x28
JX2x29 JX2x30
SIR +12v
Manutenzione
Centrale
SIR
GND
S.A
V
R
KEY
A
B
-12V+
+INT GND 24H GND Z1 Z2 Z3 Z4
1
2
CX1
GND
Z8
Z5 Z6 Z7
NOTE: On the burglar alarm PROTEC4GSM and
PROTEC8GSM, when you are using the radio module
DXR1/DXR2, it is possible to use the sirens XR300.
Self-powered
siren
in series ti
the 24H line
Electronic
siren

Related product manuals