EasyManua.ls Logo

Himoinsa STANDARD - Page 29

Himoinsa STANDARD
48 pages
Print Icon
To Next Page IconTo Next Page
To Next Page IconTo Next Page
To Previous Page IconTo Previous Page
To Previous Page IconTo Previous Page
Loading...
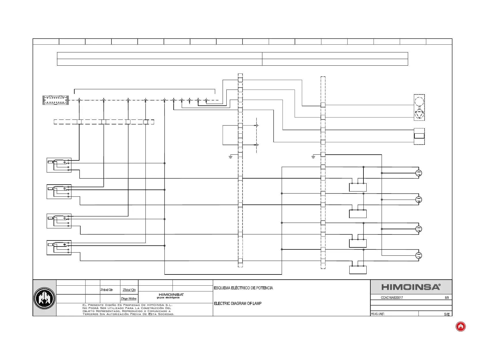
WIRING DIAGRAM | PAGE 29
www.himoinsa.com
1 2 3 54 76 8 9 10 1211 1413 15 16
Telf. 968 191 128
APPROVED:
OLD CODE:
NEW CODE:
DESIGN:
REVISED/
NAME:
DATE:
SIGNATURE
DESCRIPATION:
Nº P.:
REVISION:
SCALE:
CODE:
CTRA.MURCIA-SAN JAVIER KM 23.600 C.P. 30730 - MURCIA - ESPAÑA
05/12/16
05/12/16
mm
00
Diego Molina
CCAC16AB20017-R0
SALIDA A BALASTROS
OUTPUT FROM CONTROL PANEL
1 2 3 4 5 9
J2 CONNECTOR
10 119
3
1
2
12
1513 14 16
7 8654
PLUSRITE
LAMP
LAMP
LAMP
LAMP
IN
OUT
IN
OUT
IN
OUT
IN
OUT
N
L
N
L
N
L
N
L
N
BORNES X2
8
7
6
5
4
3
1
2
BROW
BLUE
YELLOW-GREEN
YELLOW-GREEN
BORNES X1
4
3
2
1
B1
B2
B3
B4
BLACK
8
7
6
5
4
3
1
2
BORNES X1
8
6
5
7
7
5
3
1
RED
RED
RED
RED
GREEN
GREEN
GREEN
GREEN
PE
PE
11
10
15
9
1
01
1
01
YELLOW-GREEN
YELLOW-GREEN
YELLOW-GREEN
BROW
BLUE
BROW
BLUE
BROW
BLUE
BLACK
BLACK
BLACK
IGNITOR
B
LP N
IGNITOR
B
LP N
IGNITOR
B
LP N
IGNITOR
B
LP N
PLUSRITE RECTIFIER LAMP
PLUSRITE RECTIFIER LAMP
13
12
14
10 11 12 13
14
13
11
10
TO THE HYDRAULIC PUMP
9
9
10
10
11
11
BLACK
GREEN
M
DC MOTOR
S
Sensor
YELLOW
12
YELLOW-GREEN BLACK
YELLOW-GREEN
PLUSRITE
PLUSRITE
PLUSRITE
ROTATION