EasyManua.ls Logo

Hisense MTK8222 - Page 33

Hisense MTK8222
75 pages
Print Icon
To Next Page IconTo Next Page
To Next Page IconTo Next Page
To Previous Page IconTo Previous Page
To Previous Page IconTo Previous Page
Loading...
- 33 -
LCD TV Service Manual
Hisense Confidential
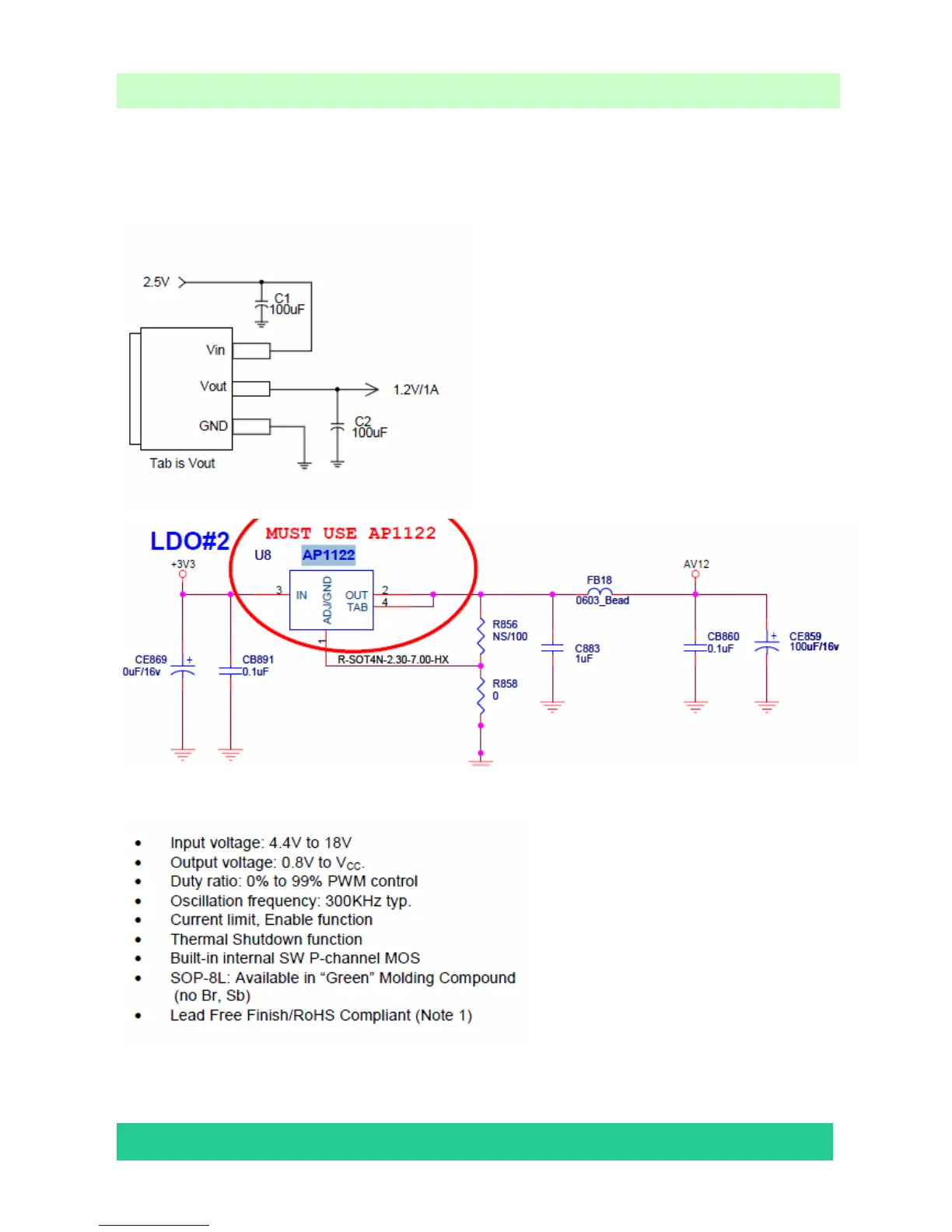
AP1122EA
AP1534

Related product manuals