EasyManua.ls Logo

Hitachi B16RM - Know Your Drill Press

Hitachi B16RM
24 pages
Print Icon
To Next Page IconTo Next Page
To Next Page IconTo Next Page
To Previous Page IconTo Previous Page
To Previous Page IconTo Previous Page
Loading...
9
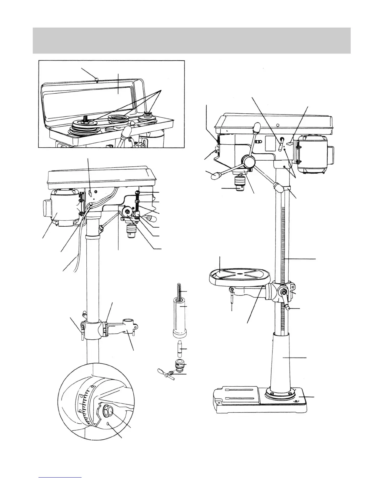
KNOW YOUR DRILL PRESS
Light switch
Spindle
Quill
Arbor
Chuck
Chuck Key
Cover knob
Belt guard cover
Belt pulleys
Belt tension knob
Upper stop nut
Lower stop nut
Depth scale
Depth stop
Stop nut
Spring cap
Feed spring
Bevel scale
Table arm
Table Bevel Lock
0° Locking set screw
Table support lock
Power cord
Cord clamp
Motor
Belt tension handle
Belt tension lock knob
Head locking
set screws
Column collar
Rack
Table support
Column support
Base
Table crank
5/8" Threaded drain
Table lock
Table
Laser guide
Chuck
Feed handles
ON/OFF switch

Related product manuals