EasyManua.ls Logo

Hitachi C 10FSB

Hitachi C 10FSB
97 pages
To Next Page IconTo Next Page
To Next Page IconTo Next Page
To Previous Page IconTo Previous Page
To Previous Page IconTo Previous Page
Loading...
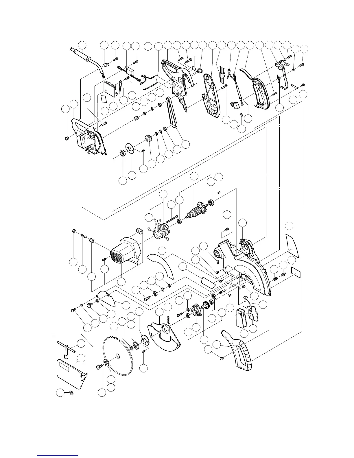
--- 3 ---2 -- 04
C 10FSH
141
142
143
144
143
145 146
147
148
149
150
151
152
143
153
154
155 156
157
158
159 160
161
162
163
164
165
166
167
168
162
163
164
169
155
170
171
172
173
174
175
176
177
178
179
180
181
182
183
184
185
186
220
187
188
189
190
191
192
193
194
195
196
197
200
201
202
203
167
205
206
207
208
209
210
211
212
213
214
215
216
217
218
501
502
119
219
198
199
228
221
166
229
204
199
503
222
231
224
154
225
226
227
230
223 224
233
232
234

Related product manuals