EasyManua.ls Logo

Hitachi Set Free mini-HNRQ1 Series - Scroll Compressor

Hitachi Set Free mini-HNRQ1 Series
187 pages
Print Icon
To Next Page IconTo Next Page
To Next Page IconTo Next Page
To Previous Page IconTo Previous Page
To Previous Page IconTo Previous Page
Loading...
145
MAINTENANCE
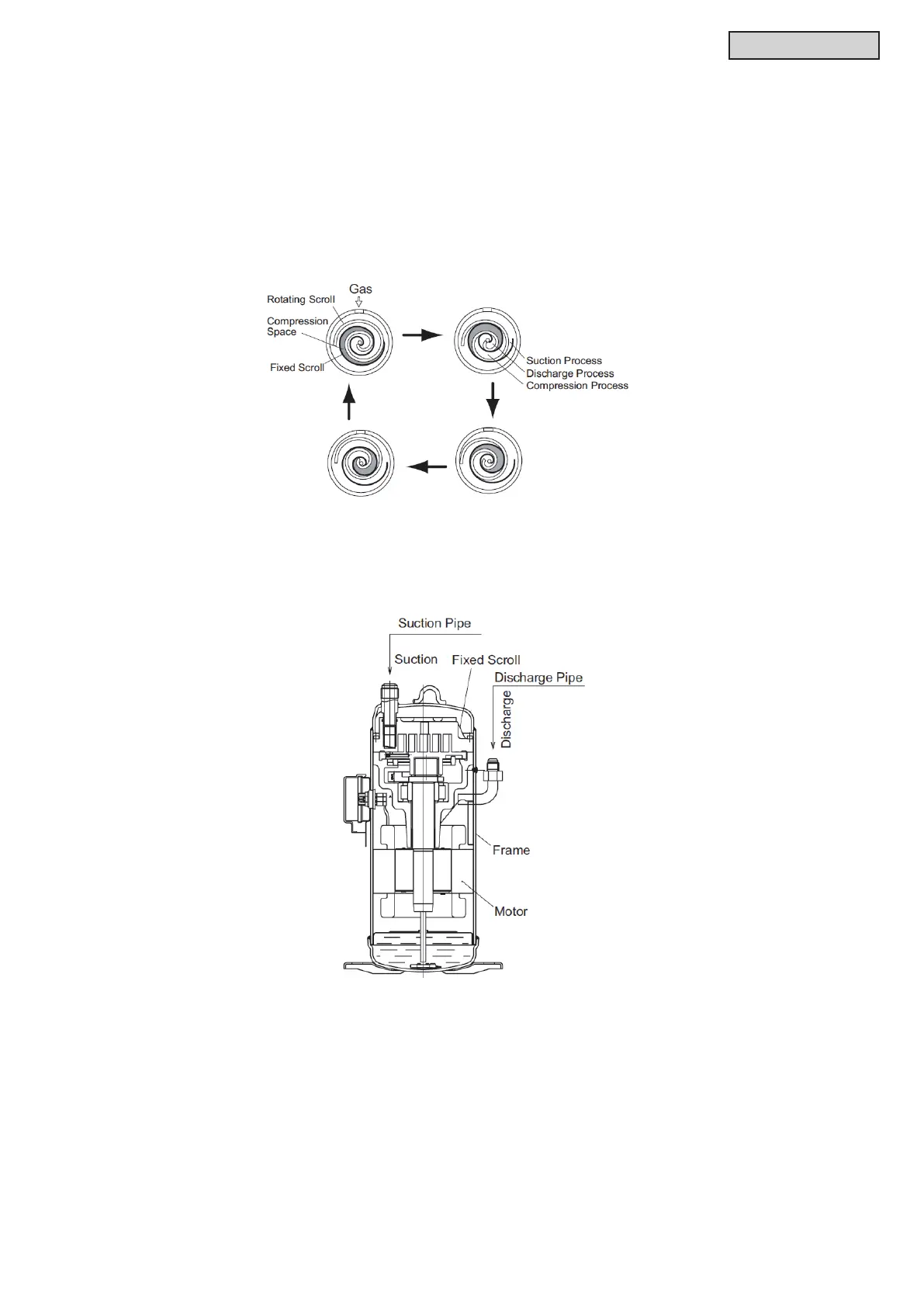
2.3 Scroll Compressor
A sort of scroll compressor is adopted in the model of 7~12HP. It has the following advantages:
(1) Reliable Mechanism for Low Vibration and Low Sound
(i) The rotating direction is denite.
(ii) The pressure inside of the chamber is high pressure, and the surface temperature of the chamber
is 60°C to 110°C.
(2) Principle of Compression
(3) Structure

Table of Contents

Other manuals for Hitachi Set Free mini-HNRQ1 Series

Related product manuals