EasyManua.ls Logo

Hitachi VM-E230E - Page 34

Hitachi VM-E230E
60 pages
Print Icon
To Next Page IconTo Next Page
To Next Page IconTo Next Page
To Previous Page IconTo Previous Page
To Previous Page IconTo Previous Page
Loading...
242
SoG
!
tif
ul
1®)
ee
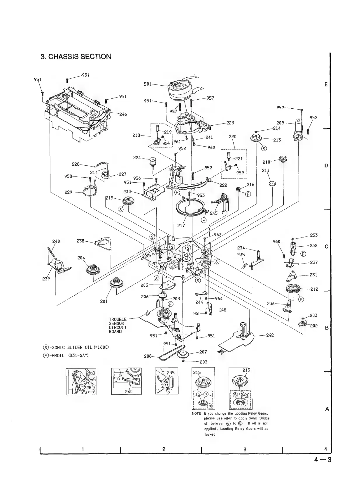
NOTE:
If
you
change
the
Loading
Relay
Gears,
TROUBLE
SENSOR
CIRCUIT
SONIC
SLIDER
OIL
(#1600)
FROIL
(G31-SAY)
239
©)
©
3.
CHASSIS
SECTION
please
use
oiler
to
apply
Sonic
Slidas
oil
between
@)
to
®
It
oif
is
not
applied,
Loading
Relay
Gears
wil!
be
locked

Related product manuals