EasyManua.ls Logo

Hoffer Flow Controls HIT-4U - Pulse Output

Hoffer Flow Controls HIT-4U
76 pages
Print Icon
To Next Page IconTo Next Page
To Next Page IconTo Next Page
To Previous Page IconTo Previous Page
To Previous Page IconTo Previous Page
Loading...
20 Installation
HP-327 HIT-4U
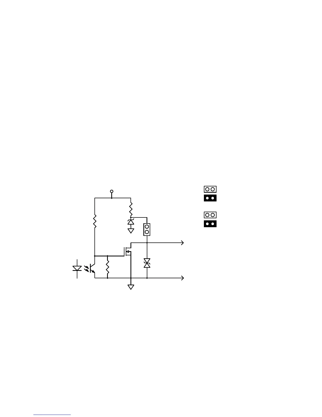
3.3 Pulse Output
HIT-4U provides an optional Pulse Output factory configured for
turbine raw frequency or scaled pulse. The scaled pulse outputs one
pulse for the least significant digit of the displayed total. A scaling
factor of 0.01, 0.1, 1, 10 or 100 is available to reduce or increase the
resolution of the pulse output. For example, if the Total Decimal Point
is set to 0000000.0, and the Pulse Scale is 1, then 1 pulse will be output
for each tenth (0.1) of a unit of measure. Changing the Pulse Scale to
10, would result in an output pulse for each 1.0 unit of measure. The
output must be scaled so that the pulse frequency does not exceed
100Hz at the maximum flow rate.
The pulse width can be configured between 4 and 300ms.
The Pulse Output may be configured as an Open Collector by removing
J9 or 0-5V (TTL/CMOS) by installing J9.
100K
100K
10K
OUT +
OUT -
+DC
*
*
PULSE OUT = J9
OR
ALARM OUT = J10
PULSE OUT
J9
OP EN COLLECTO R
TTL/CM OS
ALARM OUT
J10
OP EN COLLECTO R
TTL/CM OS
Pulse and Alarm Output
Flow-Tech, Inc. | In MD 410-666-3200 - In VA 804-752-3450 | www.flowtechonline.com