EasyManua.ls Logo

Hoffer Flow Controls HIT-4U - Page 72

Hoffer Flow Controls HIT-4U
76 pages
Print Icon
To Next Page IconTo Next Page
To Next Page IconTo Next Page
To Previous Page IconTo Previous Page
To Previous Page IconTo Previous Page
Loading...
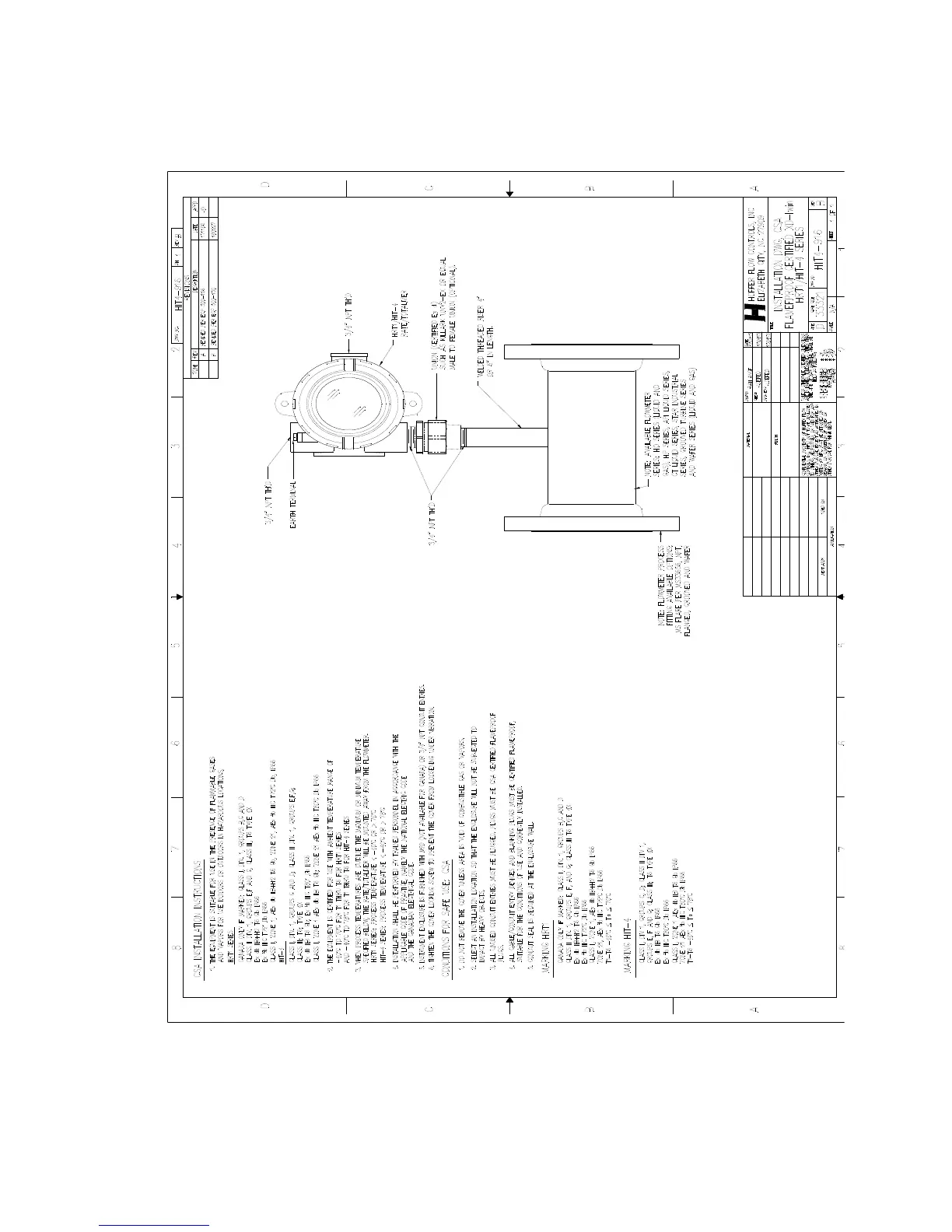
Appendix B – Installation Drawings and Conditions 67
for Safe Use for Certified Systems
HIT-4U HP-327
Flow-Tech, Inc. | In MD 410-666-3200 - In VA 804-752-3450 | www.flowtechonline.com