EasyManua.ls Logo

Hohner EXACT - Page 33

Hohner EXACT
35 pages
Print Icon
To Next Page IconTo Next Page
To Next Page IconTo Next Page
To Previous Page IconTo Previous Page
To Previous Page IconTo Previous Page
Loading...
1
C Hohner Maschinenbau GmbH
Änderung Name
Seite
Sheet
Page
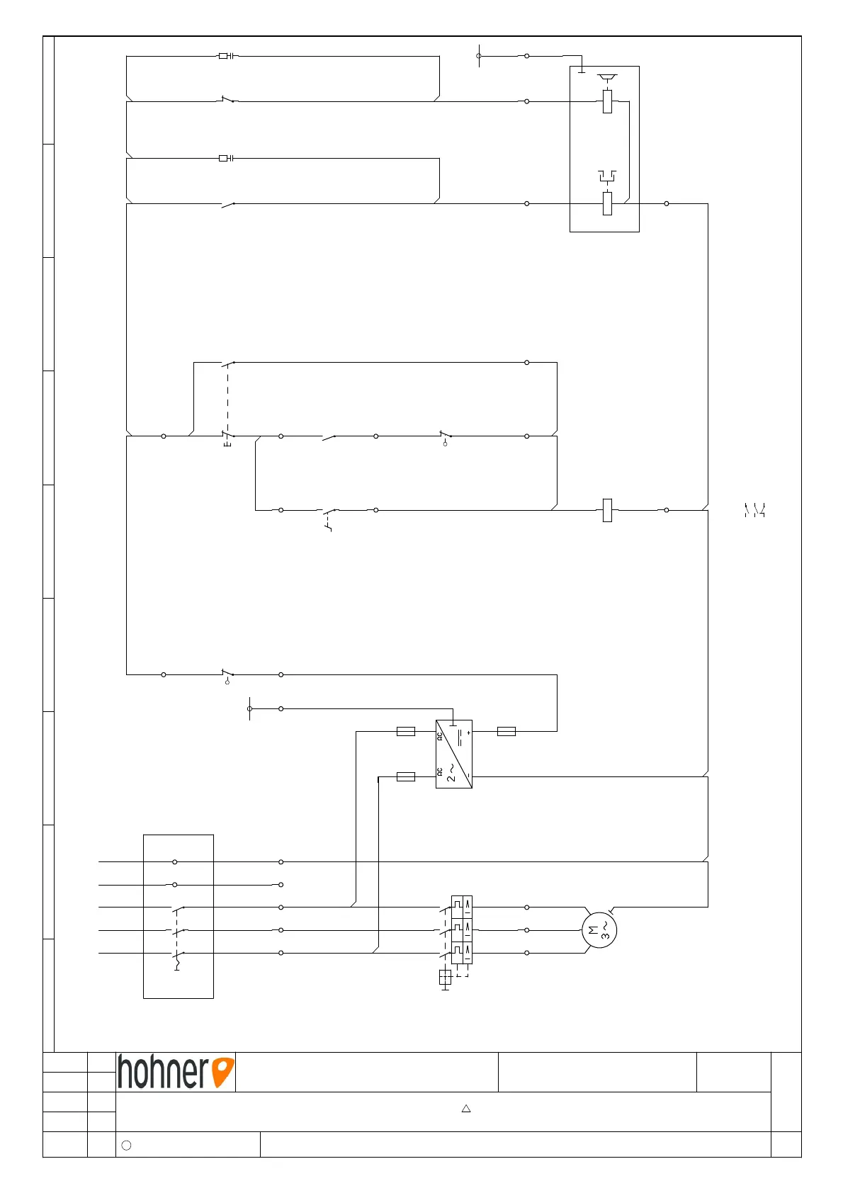
Schaltplan / flow diagrams / schéma des circuits 230V 3 Phase AC / 50 / 60 Hz
Bennenung / Title / Dénomination
c
43 40 022
Exact Hohner USA
21.05.08 VEK
Maschine / Machine / Machine
Zeichnungs-Nr. / Drawing-Nr. / Dessin-No. Index
1 2 3 4 5 6 7 8 9
L1
-Q1
L1
T1
L2
T2
L3
T3
-X1
1
-Q2
1
2
3
4
5
6
-X1
5
-M1
U V W
PE
L2
2
6
L3
3
7
N
4
PE
PE
PE
-F1
-G1
230V-AC
24V-DC
1
2
3
4
-F2
-F3
PE
PE
-X1
11
-S3
11
12
10 14
-S1
23
24
-X1
15
1 2 .6
3 4 .8
21 22 .9
-K1
A1
A2
-X1
8
12
-S4
1
2
13
-K1
.5
1
2
18
-S2
21
22
16
3
4
17
-Y1
K
-K1
.5
3
4
19
K
1
2
9
-Z1
B
-K1
.5
21
22
20
B
3
4
-Y2
-Z2
PE
PE
PE

Related product manuals